Posted On: Wednesday - January 28th 2026 7:15PM MST
In Topics:   Science  Female Stupidity
Note: This post is NOT about the Governor of Minnesota. Sorry.
We may all be impressed by Elon Musk’s rocket ships, the advances in solar power, quadcopter drones, etc. This type of engineering of what were previously things only imagined in Science Fiction books require maxing out the use of the laws of nature, often taking advantage of the newest materials and highest speed digital electronics, without which they simply couldn’t work, per the engineers of the past.

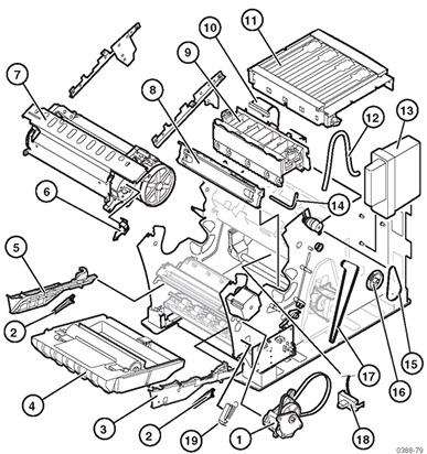
Then there are Xerox copy machines. Or, not Xerox or not even copy machines. There are a lot of parts there. The exploded view above contains many sub-assemblies, each of which may have dozens or hundreds of parts of its own. They all have to move the right ways and not break. I get just as impressed with this kind of machine design than with the rocket ships. All these moving parts are designed to work together to move the paper along, one piece, not 3, at a time, to the right places for this, that, and the other thing.
Designing these machines took even more engineering brain power before the age of high-speed electronics. Rather than sensors outputting their signals, and the chip deciding to activate these solenoids here and those motors there, there were motors for timing, cams for the “logic”, and so forth. However, to make up for the new digital logic, we have plastic parts now.
This is that future. I am amazed that these machines work at all now, and how do none of these small plastic parts break when the user slams his fist on the machine due to an imagined paper jam?

Well, enough about copiers. Let’s talk tampon production. I had a long talk with a gentlemen who worked for a company that supplies and maintains BIG HONKING machines that make tampons for Proctor & Gamble in Cincinnati. These machines go on for many yards, as all processes that are part of making a working tampon are done on a line within them, every step. He talked about the price of the machines, though I don’t recall it now, and he also told me that one machine may produce tampons at a rate on the order of 1,000 pieces per minute. That’s 18 per second. They are flying out of this machine faster than you can watch them. (Contrary to popular belief, feminine products are not a niche market.)
“What happens when the machine gets jammed?”, I asked when I heard that. Someone better get on that E-stop button fast! During one of those, errrr, periods, probably thousands of tampons in their various stages of production were ruined - it’s not the material, but the loss of time of the machine that’s costly. You’ve got to clean up the bloody mess quickly and get piece parts set up for re-start. The whole conversation was very interesting.
Recently I thought about the current state of this Matriarchy of a society we live in. It’s somehow become a non-stupid thing to believe that non-Whites and women could run the civilization the White man has built just as well. I’m not sure they’ve thought that hard about it, in their women’s studies department offices up there. It’s not only that they couldn’t build what we have, but they could not maintain a modern society either. Things would, and maybe WILL, go back to cave-man level in due time.
They really would be living in caves, at best, were there no men to build. These big tampon machines take many engineers working upon the shoulders of other engineers, doing detailed work. Sleep is lost and hair is pulled out while trying to make these parts that fit, aren’t too heavy but are of just the right stiffness, won’t break after a few million cycles, can be manufactured cheaply… oh, and can be put into the assembly, never mind repair. Design reviews are held, prototypes are made that don’t work quite right, and more sleep is lost …
Yet, these particular machines are built and maintained only for the production of feminine products, made for feminine people, those not doing all that detailed thinking and sweating to make them actually work. I’d think the customers would be more grateful. However, I guess upon time and point of use, the average tampon consumer is not grateful for anything!
That’s what Proverbs 21:9 was all about. And, we built the roofs too!
PS: Speaking of Tampon Timmah! Walz though, and his and others genderbender stupidity involving the school bathrooms, I’d guess Proctor & Gamble execs would have to be all for it. It’s not like the boys have to USE the tampons - they could make something to throw, I imagine, out of them, and sales are sales. Doubling the teenage sales - it takes a marketing genius… and one retard.
PPS: In other Feminine Products news, Representative Ilhan Omar (D-SO) has been given a vinegar douche. Unfortunately, it didn’t take.
Comments:
SafeNow
Friday - January 30th 2026 2:45PM MST
PS
Mr. Adam Smith, I am truly touched that you added that USCG diagonal stripe.
It looks great! I took a screen shot and printed it. Mrs. SafeNow and I have, on a wall, what Amazon calls a grid wire board. Actually two of them. When we come across an image we want to enjoy, I print it, and then we attach it to one of those thick wires on the grid, using mini clothespins. Your revised ship is on our board. What we do is like what a museum does.. there is a current collection out there for viewing, and there is also a ”permanent collection” in storage, and current items after being viewed for a while usually go back into storage for later viewing. This ship, like very few images, will always be on our grid. Even more important than its artistic interest, for me it also has special meaning…a complete stranger went out of his way to do something for me. Thank you. (And best wishes to the kitties!) - SafeNow
Mr. Adam Smith, I am truly touched that you added that USCG diagonal stripe.
It looks great! I took a screen shot and printed it. Mrs. SafeNow and I have, on a wall, what Amazon calls a grid wire board. Actually two of them. When we come across an image we want to enjoy, I print it, and then we attach it to one of those thick wires on the grid, using mini clothespins. Your revised ship is on our board. What we do is like what a museum does.. there is a current collection out there for viewing, and there is also a ”permanent collection” in storage, and current items after being viewed for a while usually go back into storage for later viewing. This ship, like very few images, will always be on our grid. Even more important than its artistic interest, for me it also has special meaning…a complete stranger went out of his way to do something for me. Thank you. (And best wishes to the kitties!) - SafeNow
Adam Smith
Friday - January 30th 2026 1:12PM MST
PS: A quick edit...
𝐴 𝑏𝑖𝑔 𝑝𝑙𝑎𝑠𝑡𝑖𝑐 𝑡𝑜𝑡𝑒 𝑖𝑛 𝑎 𝑠𝑙𝑖𝑔ℎ𝑡𝑙𝑦 𝑏𝑖𝑔𝑔𝑒𝑟 𝑝𝑙𝑎𝑠𝑡𝑖𝑐 𝑤𝑖𝑡ℎ 𝑜𝑙𝑑 𝑤𝑜𝑜𝑙 𝑠𝑜𝑐𝑘𝑠...
*tote.
A big plastic tote in a slightly bigger plastic tote.
Stuffed with old wool socks and sweaters and such between the plastic walls. (You get the idea.)
Cheers! ☮️
𝐴 𝑏𝑖𝑔 𝑝𝑙𝑎𝑠𝑡𝑖𝑐 𝑡𝑜𝑡𝑒 𝑖𝑛 𝑎 𝑠𝑙𝑖𝑔ℎ𝑡𝑙𝑦 𝑏𝑖𝑔𝑔𝑒𝑟 𝑝𝑙𝑎𝑠𝑡𝑖𝑐 𝑤𝑖𝑡ℎ 𝑜𝑙𝑑 𝑤𝑜𝑜𝑙 𝑠𝑜𝑐𝑘𝑠...
*tote.
A big plastic tote in a slightly bigger plastic tote.
Stuffed with old wool socks and sweaters and such between the plastic walls. (You get the idea.)
Cheers! ☮️
Adam Smith
Friday - January 30th 2026 12:49PM MST
PS: Good afternoon, Mr. SafeNow!
𝑇ℎ𝑒 𝑓𝑖𝑟𝑠𝑡 𝑝ℎ𝑜𝑡𝑜 𝑜𝑓 𝑡ℎ𝑒 𝑑𝑒𝑛𝑡 𝑜𝑝𝑒𝑛𝑒𝑑 𝑗𝑢𝑠𝑡 𝑓𝑖𝑛𝑒, 𝑏𝑢𝑡 𝑡ℎ𝑒 𝑛𝑒𝑥𝑡 𝑡𝑤𝑜 𝑤𝑜𝑢𝑙𝑑 𝑛𝑜𝑡 𝑜𝑝𝑒𝑛...
Yeah... That sometimes happens with these free file hosts. The links usually start working again if you give them a few minutes and try again. Here's a few more links that should work. (Also free files hosts, but between the original links and these new links something is likely to work.)
https://i.postimg.cc/Y2FfQZc8/Dent-1.jpg
https://files.catbox.moe/ludvxp.jpg
https://i.postimg.cc/02dYBSyj/Dent-2.jpg
https://files.catbox.moe/v8uyzj.jpg
https://i.postimg.cc/L89tKsJZ/rust-bubble.jpg
https://files.catbox.moe/u7idov.jpg
𝐼 𝑐𝑜𝑢𝑙𝑑 𝑛𝑜𝑡 𝑏𝑒 𝑠𝑢𝑟𝑒 𝑗𝑢𝑠𝑡 ℎ𝑜𝑤 𝑠𝑒𝑟𝑖𝑜𝑢𝑠 𝑡ℎ𝑒 𝑑𝑒𝑛𝑡 𝑖𝑠, 𝑑𝑢𝑒 𝑡𝑜 𝑡ℎ𝑒 𝑙𝑖𝑔ℎ𝑡 𝑟𝑒𝑓𝑙𝑒𝑐𝑡𝑖𝑜𝑛....
It's really not bad. In fact, it's so "not bad" that it is a little hard to photo. (Which is a good thing!)
𝐼 𝑤𝑜𝑢𝑙𝑑 𝑔𝑒𝑡 𝑡ℎ𝑖𝑠 𝑓𝑖𝑥𝑒𝑑 𝑖𝑓 𝑖𝑡 𝑤𝑒𝑟𝑒 𝑚𝑦 𝑐𝑎𝑟...
Agreed. This car is totally worth fixing. Other than this new dent and a few small rust bubbles (a very common thing with these W210 models) that need to be addressed, she's in really great condition. As much as I hate seeing that dent, I know this kind of work is best done come summer. It will just have to wait a couple months.
Lol... I knew about the diagonal stripes with the insignia but I overlooked them with this graphic. (I was just so happy to finally find a ship that didn't look goofy or cartoonish that I forgot to add one of the most defining features of a coast guard ship.) So... This is how I added the stripe, in three easy steps.
https://i.ibb.co/DfD1MS0d/coast-guard-01.jpg
https://files.catbox.moe/vurr9j.jpg
https://i.ibb.co/FkDdZ8dw/coast-guard-01-color.jpg
https://files.catbox.moe/1nwv5b.jpg
https://i.ibb.co/0jYD2Jgz/coast-guard-01-final.jpg
https://files.catbox.moe/3h46u2.jpg
Basically, I added the coast guard racing stripes and insignia to the original drawing. (Looking at it now, my stripes aren't quite right, but I was still sleepy eyed and sipping my morning coffee as I did this. Even though the racing stripe isn't correct, I think it would translate to the dots in the same way.) Then I strip out the color. Finally, I translate the image to dot art format for the PS comment window. (I'm sure this isn't the only way to do this but it is the way I did it this morning. I could also edit the dots directly, but that is quite a bit more tedious and not really the way I'm used to working with graphics.) (You'll find the new dot art ship with the coast guard stripes below.)
(You can see how an image loses much of its detail when converted to dot art format.)
𝑇ℎ𝑎𝑛𝑘𝑠 𝑓𝑜𝑟 𝑡ℎ𝑒 𝑘𝑖𝑡𝑡𝑖𝑒 𝑟𝑒𝑝𝑜𝑟𝑡..𝐼 ℎ𝑎𝑑 𝑏𝑒𝑒𝑛 𝑤𝑜𝑛𝑑𝑒𝑟𝑖𝑛𝑔, 𝑎𝑛𝑑 𝑎 𝑏𝑖𝑡 𝑤𝑜𝑟𝑟𝑖𝑒𝑑.....
Thank you for your concern. It's going to be cold again tomorrow night, but there is no need to worry. Even if the power goes out, we'll keep the kitties warm and happy. (We heat the house primarily with propane. If we have to, we'll bring the kitties in for the night.)
When Baby Girl and her brother WhiteFace were kittens, they didn't even have a heater. They had to snuggle up together in their insulated kitty boxes. (A big plastic tote in a slightly bigger plastic with old wool socks and sweaters and such stuffed between the two layers of totes.)
Initially they just had the boxes and a bunch of blankets and pillows. Then I added a plastic half quonset house to keep them dry when it would rain from the wrong direction. (This also helped block the wind.) Then I added a red 275 watt heat lamp to keep them warmer in the winter. (Which was eventually swapped out for an infrared reptile heat emitter.) Then, when the old plastic wore out I upgraded to some reflective foil bubble wrap (three layers thick) for the quonset and the walls topped with a heavy black tarp. A few years ago I finally built their current, thermostatically controlled, three emitter (460 watt) kitty heater. (There's also three bags of cedar chips on the floor covered by a thick tarp with outdoor cushions and blankets on top.)(It's small, but otherwise cozy.)
Original kitty heater...
https://www.walmart.com/ip/Champion-Electronics-10-Aluminum-Clamp-Light-300-Watt-Max-Halogen-Bulb-Not-Included/711001061
Heat Emitter Bulb...
https://www.walmart.com/ip/Emlimny-2-Pack-150W-Ceramic-Heat-Emitter-Light-Emitting-Heat-Lamp-Reptile-Heat-Bulbs-Ceramic-Heat-Lamp-Reptiles-Amphibian-Chicken-Dog-Cat/16561964852
Reflective bubble wrap...
https://www.walmart.com/ip/Petoto-Reflective-Insulation-Roll-24-x-33-Versatile-Thermal-Barrier-Double-Bubble-Reflective-Foil-Insulating-Foam-Attics-Windows-Garages-RVs-Ducts/5328915182
The kitties are doing well today. (They were a little hungry this morning. Probably because they did not have a midnight snack last night.) It's (relatively) beautiful out there right now. (Accuweather says it's about 41° with a RealFeel of 51°) We have another short lived cold spell blowing through for a couple days. (They're predicting 10°F tomorrow night.) But we'll be back to normal Monday and they're saying it will be 56° on Tuesday.
And spring is (almost) right around the corner!
So Happy Friday! (and) Cheers to a wonderful afternoon/evening! ☮️
𝑇ℎ𝑒 𝑓𝑖𝑟𝑠𝑡 𝑝ℎ𝑜𝑡𝑜 𝑜𝑓 𝑡ℎ𝑒 𝑑𝑒𝑛𝑡 𝑜𝑝𝑒𝑛𝑒𝑑 𝑗𝑢𝑠𝑡 𝑓𝑖𝑛𝑒, 𝑏𝑢𝑡 𝑡ℎ𝑒 𝑛𝑒𝑥𝑡 𝑡𝑤𝑜 𝑤𝑜𝑢𝑙𝑑 𝑛𝑜𝑡 𝑜𝑝𝑒𝑛...
Yeah... That sometimes happens with these free file hosts. The links usually start working again if you give them a few minutes and try again. Here's a few more links that should work. (Also free files hosts, but between the original links and these new links something is likely to work.)
https://i.postimg.cc/Y2FfQZc8/Dent-1.jpg
https://files.catbox.moe/ludvxp.jpg
https://i.postimg.cc/02dYBSyj/Dent-2.jpg
https://files.catbox.moe/v8uyzj.jpg
https://i.postimg.cc/L89tKsJZ/rust-bubble.jpg
https://files.catbox.moe/u7idov.jpg
𝐼 𝑐𝑜𝑢𝑙𝑑 𝑛𝑜𝑡 𝑏𝑒 𝑠𝑢𝑟𝑒 𝑗𝑢𝑠𝑡 ℎ𝑜𝑤 𝑠𝑒𝑟𝑖𝑜𝑢𝑠 𝑡ℎ𝑒 𝑑𝑒𝑛𝑡 𝑖𝑠, 𝑑𝑢𝑒 𝑡𝑜 𝑡ℎ𝑒 𝑙𝑖𝑔ℎ𝑡 𝑟𝑒𝑓𝑙𝑒𝑐𝑡𝑖𝑜𝑛....
It's really not bad. In fact, it's so "not bad" that it is a little hard to photo. (Which is a good thing!)
𝐼 𝑤𝑜𝑢𝑙𝑑 𝑔𝑒𝑡 𝑡ℎ𝑖𝑠 𝑓𝑖𝑥𝑒𝑑 𝑖𝑓 𝑖𝑡 𝑤𝑒𝑟𝑒 𝑚𝑦 𝑐𝑎𝑟...
Agreed. This car is totally worth fixing. Other than this new dent and a few small rust bubbles (a very common thing with these W210 models) that need to be addressed, she's in really great condition. As much as I hate seeing that dent, I know this kind of work is best done come summer. It will just have to wait a couple months.
Lol... I knew about the diagonal stripes with the insignia but I overlooked them with this graphic. (I was just so happy to finally find a ship that didn't look goofy or cartoonish that I forgot to add one of the most defining features of a coast guard ship.) So... This is how I added the stripe, in three easy steps.
https://i.ibb.co/DfD1MS0d/coast-guard-01.jpg
https://files.catbox.moe/vurr9j.jpg
https://i.ibb.co/FkDdZ8dw/coast-guard-01-color.jpg
https://files.catbox.moe/1nwv5b.jpg
https://i.ibb.co/0jYD2Jgz/coast-guard-01-final.jpg
https://files.catbox.moe/3h46u2.jpg
Basically, I added the coast guard racing stripes and insignia to the original drawing. (Looking at it now, my stripes aren't quite right, but I was still sleepy eyed and sipping my morning coffee as I did this. Even though the racing stripe isn't correct, I think it would translate to the dots in the same way.) Then I strip out the color. Finally, I translate the image to dot art format for the PS comment window. (I'm sure this isn't the only way to do this but it is the way I did it this morning. I could also edit the dots directly, but that is quite a bit more tedious and not really the way I'm used to working with graphics.) (You'll find the new dot art ship with the coast guard stripes below.)
(You can see how an image loses much of its detail when converted to dot art format.)
𝑇ℎ𝑎𝑛𝑘𝑠 𝑓𝑜𝑟 𝑡ℎ𝑒 𝑘𝑖𝑡𝑡𝑖𝑒 𝑟𝑒𝑝𝑜𝑟𝑡..𝐼 ℎ𝑎𝑑 𝑏𝑒𝑒𝑛 𝑤𝑜𝑛𝑑𝑒𝑟𝑖𝑛𝑔, 𝑎𝑛𝑑 𝑎 𝑏𝑖𝑡 𝑤𝑜𝑟𝑟𝑖𝑒𝑑.....
Thank you for your concern. It's going to be cold again tomorrow night, but there is no need to worry. Even if the power goes out, we'll keep the kitties warm and happy. (We heat the house primarily with propane. If we have to, we'll bring the kitties in for the night.)
When Baby Girl and her brother WhiteFace were kittens, they didn't even have a heater. They had to snuggle up together in their insulated kitty boxes. (A big plastic tote in a slightly bigger plastic with old wool socks and sweaters and such stuffed between the two layers of totes.)
Initially they just had the boxes and a bunch of blankets and pillows. Then I added a plastic half quonset house to keep them dry when it would rain from the wrong direction. (This also helped block the wind.) Then I added a red 275 watt heat lamp to keep them warmer in the winter. (Which was eventually swapped out for an infrared reptile heat emitter.) Then, when the old plastic wore out I upgraded to some reflective foil bubble wrap (three layers thick) for the quonset and the walls topped with a heavy black tarp. A few years ago I finally built their current, thermostatically controlled, three emitter (460 watt) kitty heater. (There's also three bags of cedar chips on the floor covered by a thick tarp with outdoor cushions and blankets on top.)(It's small, but otherwise cozy.)
Original kitty heater...
https://www.walmart.com/ip/Champion-Electronics-10-Aluminum-Clamp-Light-300-Watt-Max-Halogen-Bulb-Not-Included/711001061
Heat Emitter Bulb...
https://www.walmart.com/ip/Emlimny-2-Pack-150W-Ceramic-Heat-Emitter-Light-Emitting-Heat-Lamp-Reptile-Heat-Bulbs-Ceramic-Heat-Lamp-Reptiles-Amphibian-Chicken-Dog-Cat/16561964852
Reflective bubble wrap...
https://www.walmart.com/ip/Petoto-Reflective-Insulation-Roll-24-x-33-Versatile-Thermal-Barrier-Double-Bubble-Reflective-Foil-Insulating-Foam-Attics-Windows-Garages-RVs-Ducts/5328915182
The kitties are doing well today. (They were a little hungry this morning. Probably because they did not have a midnight snack last night.) It's (relatively) beautiful out there right now. (Accuweather says it's about 41° with a RealFeel of 51°) We have another short lived cold spell blowing through for a couple days. (They're predicting 10°F tomorrow night.) But we'll be back to normal Monday and they're saying it will be 56° on Tuesday.
And spring is (almost) right around the corner!
So Happy Friday! (and) Cheers to a wonderful afternoon/evening! ☮️
Adam Smith
Friday - January 30th 2026 12:49PM MST
PS: Good afternoon, Mr. SafeNow! ☮️
⠀⠀⠀⠀⠀⠀⠀⠀⠀⠀⠀⠀⠀⠀⠀⠀⠀⠀⠀⠀⠀⠀⠀⠀⠀⠀⠀⠀⠀⠀⠀⠀⠀⠀⠀⠀⠀⠀⠀⠀⡀⠀⠀⠀⠀⠀⠀⠀⠀⠀⠀⠀⠀⠀⠀⠀⠀⠀⠀⠀⠀⠀⠀⠀
⠀⠀⠀⠀⠀⠀⠀⠀⠀⠀⠀⠀⠀⠀⠀⠀⠀⠀⠀⠀⠀⠀⠀⠀⠀⠀⠀⠀⠀⠀⠀⠀⠀⠀⠀⠀⠀⠀⠀⠀⡇⠀⠀⠀⠀⠀⠀⠀⠀⠀⠀⠀⠀⠀⠀⠀⠀⠀⠀⠀⠀⠀⠀⠀
⠀⠀⠀⠀⠀⠀⠀⠀⠀⠀⠀⠀⠀⠀⠀⠀⠀⠀⠀⠀⠀⠀⠀⠀⠀⠀⠀⠀⠀⠀⠀⠀⠀⠀⠀⠀⠀⠀⢰⠋⠉⡆⠀⠀⠀⠀⠀⠀⠀⠀⠀⠀⠀⠀⠀⠀⠀⠀⠀⠀⠀⠀⠀⠀
⠀⠀⠀⠀⠀⠀⠀⠀⠀⠀⠀⠀⠀⠀⠀⠀⠀⠀⠀⠀⠀⠀⠀⠀⠀⠀⠀⠀⠀⠀⠀⠀⠀⠀⠀⠀⠀⠀⠚⢻⣿⠟⢣⠀⠀⠀⠀⠀⠀⠀⠀⠀⠀⠀⠀⠀⠀⠀⠀⠀⠀⠀⠀⠀
⠀⠀⠀⠀⠀⠀⠀⠀⠀⠀⠀⠀⠀⠀⠀⠀⠀⠀⠀⠀⠀⠀⠀⠀⠀⠀⠀⠀⠀⠀⠀⠀⠀⠀⣀⠀⣠⠤⢿⣾⣳⣶⣞⣂⠀⠀⠀⠀⠀⠀⠀⠀⠀⠀⠀⠀⠀⠀⠀⠀⠀⠀⠀⠀
⠀⠀⠀⠀⠀⠀⠀⠀⠀⠀⠀⠀⠀⠀⠀⠀⠀⠀⠀⠀⠀⠀⠀⠀⠀⠀⠀⠀⠀⠀⠀⠀⠀⢸⣭⣷⣽⣭⣳⢿⣮⡶⠾⠾⠒⠀⡀⠀⠀⠀⠀⠀⠀⠀⠀⠀⠀⠀⠀⠀⠀⠀⠀⠀
⠀⠀⠀⠀⠀⠀⠀⠀⠀⠀⠀⠀⠀⠀⠀⠀⠀⠀⠀⠀⠀⠀⠀⠀⠀⠀⠀⠀⠀⠀⠀⠀⠀⠈⠀⠀⠈⢉⣽⣸⡋⠀⠀⠀⠀⠀⡇⠀⠀⠀⠀⠀⠀⠀⠀⠀⠀⠀⠀⠀⠀⠀⠀⠀
⠀⠀⠀⠀⠀⠀⠀⠀⠀⠀⠀⠀⠀⠀⠀⠀⠀⠀⠀⠀⠀⠀⠀⠀⠀⠀⠀⣀⣀⣀⣠⣤⡤⠤⣬⠿⠿⢷⣧⣮⣾⡁⠀⠀⠀⠀⡇⠀⠀⠀⠀⠀⠀⠀⠀⠀⠀⠀⠀⠀⠀⠀⠀⠀
⠀⠀⠀⠀⠀⠀⣀⡀⠀⠀⠀⠀⠀⠀⠀⠀⠀⠀⠀⠀⠀⠀⠀⠀⠀⠀⣾⣿⣀⣈⣧⠠⠤⠤⠿⠤⠤⡾⢇⣇⢿⡟⣦⣀⠀⠀⡇⠀⠀⠀⠀⠀⠀⠀⠀⠀⠀⠀⠀⠀⠀⠀⠀⠀
⠀⠀⠀⠀⠘⢻⣷⠛⠀⠀⠀⠀⠀⠀⠀⠀⠀⠀⠀⠀⠀⠀⠀⢀⡰⣊⣁⣀⣀⣀⣀⣀⣀⣀⣀⣀⣜⣁⠀⠀⡹⠳⢟⢿⢷⣤⣇⡆⠀⠀⠀⠀⠀⠀⠀⠀⠀⠀⠀⠀⠀⠀⠀⠀
⠀⠀⠀⠀⢰⡞⣿⠛⠛⠛⠛⠛⠒⢲⡶⠦⢤⣤⣄⣀⣀⡀⠀⢸⢩⠓⠒⣖⢒⢲⠒⠒⢒⣶⠒⡖⡰⠚⠫⡍⣛⠷⣧⣝⣺⢿⣿⣿⠀⠀⠀⠀⠀⠀⠀⠀⠀⠀⠀⠀⠀⠀⠀⠀
⠀⠀⠀⠀⣸⡟⣿⣖⡒⠒⠲⠶⠶⢼⡧⣤⣤⣀⣀⣈⡉⣽⠛⢻⢿⣿⣾⣥⣜⡇⠴⠾⠭⠤⠾⠱⣿⣿⡞⡼⢺⣿⠑⢮⢽⣻⠾⣭⡄⠀⠀⠀⠀⠀⠀⠀⠀⠀⠀⠀⠀⠀⠀⠀
⠀⠀⠀⣤⣿⡽⠿⠿⠿⣿⣒⣒⣤⣼⣧⠤⣄⣹⣟⡯⠭⣿⢛⠟⠻⢯⣭⣽⠏⠙⠛⠿⣭⣍⣉⣹⣍⣚⡒⠵⢖⣸⠿⣼⣯⣡⡇⢰⠃⠀⠀⠀⠀⠀⠀⠀⠀⠀⠀⠀⠀⠀⠀⠀
⠀⠀⠀⣇⡠⠤⠤⠤⢀⣀⣀⣀⣀⣀⠀⠉⠉⠉⠉⢻⣿⣿⣿⣶⣶⣮⣀⣼⡉⠑⢲⠀⣿⣀⣀⡸⠀⢨⡏⠙⠓⣶⠯⣵⣛⡽⢤⣃⣀⣀⣀⣀⣀⣀⣀⣀⣀⣀⡀⠀⠀⠀⠀⠀
⠀⠀⠀⠘⢦⡠⠤⠀⠠⠤⠤⠤⠤⢈⣉⣉⣉⠁⠒⠚⢿⣿⣿⣿⣿⣿⣧⣻⣎⠉⠉⠒⠓⠪⠭⢯⣛⣻⠷⠤⣄⡟⠀⢰⠸⠩⢿⡷⢤⣀⡀⢰⡶⢗⠒⠚⢛⡖⠃⠀⠀⠀⠀⠀
⠀⠀⠀⠀⠀⠱⡄⠀⠀⠀⠀⠀⠀⠀⠀⠀⠀⠈⠉⠉⠉⣿⣿⣿⣿⣿⣿⣆⣿⣍⠑⠒⠒⠠⠤⢄⣀⣀⠉⠑⠒⠧⢄⡈⠀⠀⣸⠉⢠⠈⠙⣿⣷⡧⢵⣄⣸⡇⠀⠀⠀⠀⠀⠀
⠀⠀⠀⠀⠀⠀⠘⣆⠀⠀⠀⠀⠀⠀⠀⠀⠀⠀⠀⠀⠀⠘⣿⣿⣿⣿⣿⣿⡎⣿⡍⠉⠑⠒⠒⠤⠤⢄⣠⡶⢦⡤⡄⠈⠑⠒⠿⣄⡸⠀⢠⠿⢿⢳⣰⡟⢻⣟⣶⣤⡄⠀⠀⠀
⠀⠀⠀⠀⠀⠀⠀⠘⣆⠀⠀⠀⠐⠒⠒⠠⠤⠤⣀⣀⣀⠀⠙⣿⣿⣿⣿⣿⣿⡜⣷⡀⠀⠀⠀⠀⠀⠀⠘⠓⠿⠗⠓⠒⠤⠤⢄⣀⣬⣭⣕⠒⠚⠤⠤⠬⠉⠛⠓⠽⡤⡄⠀⠀
⠀⠀⠀⠀⠀⠀⠀⠀⠙⡄⠀⠀⠀⠀⠀⠀⠀⠀⠀⠀⠈⠉⠉⠹⣿⣿⣿⣿⣿⣿⣜⣷⡀⠀⠀⠀⠀⠀⠀⠀⠀⠀⠀⠀⠀⠀⠀⠀⠷⠾⠽⠒⠤⠤⣀⣀⠀⠀⠀⢸⡧⡇⠀⠀
⠀⠀⠀⠀⠀⠀⠀⠀⠀⠹⡄⠀⠀⠀⠀⠀⠀⠀⠀⠀⠀⠀⠀⠀⢹⣿⣿⣿⣿⣿⣷⡹⣯⠉⠉⠒⠒⠒⠤⠤⠤⢄⣀⣀⣀⠀⠀⠀⠀⠀⠀⠀⠀⠀⠀⠀⠉⠑⠒⠢⣭⠁⠀⠀
⠀⠀⠀⠀⠀⠀⠀⠀⠀⠀⢳⠀⠈⠉⠑⠒⠒⠤⠤⢄⣀⣀⠀⠀⠀⢻⣿⣿⣿⣿⣿⣷⢹⣇⠀⠀⠀⠀⠀⠀⠀⠀⠀⠀⠈⠉⠉⠉⠙⠒⠒⠒⠒⠒⠤⠤⢤⡔⠊⣋⠀⠈⠉⠩
⠀⠀⠀⠀⠀⠀⠀⠀⠀⠀⠀⢧⣀⣀⣀⣀⣀⣀⣀⣀⣀⢀⠉⢉⠐⠒⢻⣿⣿⣿⣿⣿⣧⢻⣆⠀⠀⠀⠀⠀⠀⠀⠀⠀⠀⢀⣀⣀⣀⣀⡤⠤⢒⣶⠋⠉⠉⢤⡼⡉⠀⠀⣌⣳
⠀⠀⠀⠀⠀⠀⠀⠀⠀⠀⠀⠘⣽⣿⣿⣿⡿⢿⣿⢿⣿⣿⣿⣿⣿⣿⣿⣿⣿⣿⣿⣿⣿⣿⣿⣿⣿⣿⣶⣿⡿⠛⠲⠶⠯⠧⠄⠒⠉⠒⠒⠤⠬⠭⠉⠁⠀⠀⣀⡩⣝⢿⡻⠽
⠓⠤⡴⠒⠤⣀⠤⠤⢴⣒⡉⠉⠁⡨⠓⢋⣲⠭⠀⠀⠈⠉⣟⠻⠿⠿⠿⠿⠛⠿⣟⠛⠛⠛⠛⠛⢋⡩⠶⡀⢄⣀⠈⠢⣀⠀⠀⠀⠒⠈⠁⠂⠀⠀⢀⣀⠊⠉⠉⠩⠭⠓⠋⠑
⠄⠠⠈⠉⠑⣒⡺⠽⠋⠔⡪⣔⣊⣁⠤⣯⣀⣀⠀⠀⠀⠄⠂⠄⠠⠀⠐⠚⠵⠆⠐⠒⠂⠀⣀⣩⡥⠤⣒⣚⣂⣀⣀⡐⠒⠛⠛⣉⣉⠉⠉⢉⣉⢉⣁⣈⣉⠒⠒⠊⠁⠀⠀⠀
⠁⠀⠠⠤⠒⢒⡲⠤⠄⡒⠉⠈⠉⠙⠢⠉⠻⠢⢍⣑⠒⠢⢤⡤⠔⠊⠛⢗⡖⠠⠤⠄⣉⣁⠀⠑⣤⠔⠒⠒⠂⠀⠀⠪⠭⠭⢍⣀⢀⡀⠀⠀⠀⠐⠒⠒⠒⠲⠦⠝⣛⡩⠥⠠
⠀⠀⠂⢈⡩⠗⠒⠒⠉⠀⣀⠀⠀⠀⠀⠠⠤⠤⠤⠄⠛⢊⡁⠤⠒⠉⣉⠒⠝⠢⠄⠀⠀⠀⠍⠒⡢⢥⡤⠤⠔⢒⣒⠴⠒⠒⠂⢤⣤⣤⡤⠔⠒⠙⠓⠒⠒⠒⢊⣉⠤⠔⠊⠀
⠀⠀⠀⠀⠀⢀⣀⣀⣀⣀⠠⠄⠒⠀⠀⠀⠀⠀⠀⠀⠀⠐⠒⠉⠉⠁⠀⠀⠉⠉⠒⠒⠢⠤⠤⠐⠚⠁⠈⠉⣉⡡⠔⠒⠉⠉⠑⠠⠤⠤⠀⠄⠀⣀⣒⣒⣊⠭⠥⠄⠀⠀⠀⠀
⠀⠀⠀⠀⠀⠁⠀⠀⠀⠀⠀⠀⠀⠀⠀⠀⠀⠀⠀⠀⠉⠉⠉⠉⠁⠀⠒⠒⠒⠂⠀⠀⠀⠀⠀⠀⠀⠒⠒⠉⠁⠀⠀⠀⠀⠀⠀⠀⠀⠀⠀⠀⠀⠀⠄⠠⠤⠤⠤⠤⠀⠀⠀⠀
⠀⠀⠀⠀⠀⠀⠀⠀⠀⠀⠀⠀⠀⠀⠀⠀⠀⠀⠀⠀⠀⠀⠀⠀⠀⠀⠀⠀⠀⠀⠀⠀⠀⠀⠀⠀⠀⠀⠀⠀⡀⠀⠀⠀⠀⠀⠀⠀⠀⠀⠀⠀⠀⠀⠀⠀⠀⠀⠀⠀⠀⠀⠀⠀
⠀⠀⠀⠀⠀⠀⠀⠀⠀⠀⠀⠀⠀⠀⠀⠀⠀⠀⠀⠀⠀⠀⠀⠀⠀⠀⠀⠀⠀⠀⠀⠀⠀⠀⠀⠀⠀⠀⠀⠀⡇⠀⠀⠀⠀⠀⠀⠀⠀⠀⠀⠀⠀⠀⠀⠀⠀⠀⠀⠀⠀⠀⠀⠀
⠀⠀⠀⠀⠀⠀⠀⠀⠀⠀⠀⠀⠀⠀⠀⠀⠀⠀⠀⠀⠀⠀⠀⠀⠀⠀⠀⠀⠀⠀⠀⠀⠀⠀⠀⠀⠀⠀⢰⠋⠉⡆⠀⠀⠀⠀⠀⠀⠀⠀⠀⠀⠀⠀⠀⠀⠀⠀⠀⠀⠀⠀⠀⠀
⠀⠀⠀⠀⠀⠀⠀⠀⠀⠀⠀⠀⠀⠀⠀⠀⠀⠀⠀⠀⠀⠀⠀⠀⠀⠀⠀⠀⠀⠀⠀⠀⠀⠀⠀⠀⠀⠀⠚⢻⣿⠟⢣⠀⠀⠀⠀⠀⠀⠀⠀⠀⠀⠀⠀⠀⠀⠀⠀⠀⠀⠀⠀⠀
⠀⠀⠀⠀⠀⠀⠀⠀⠀⠀⠀⠀⠀⠀⠀⠀⠀⠀⠀⠀⠀⠀⠀⠀⠀⠀⠀⠀⠀⠀⠀⠀⠀⠀⣀⠀⣠⠤⢿⣾⣳⣶⣞⣂⠀⠀⠀⠀⠀⠀⠀⠀⠀⠀⠀⠀⠀⠀⠀⠀⠀⠀⠀⠀
⠀⠀⠀⠀⠀⠀⠀⠀⠀⠀⠀⠀⠀⠀⠀⠀⠀⠀⠀⠀⠀⠀⠀⠀⠀⠀⠀⠀⠀⠀⠀⠀⠀⢸⣭⣷⣽⣭⣳⢿⣮⡶⠾⠾⠒⠀⡀⠀⠀⠀⠀⠀⠀⠀⠀⠀⠀⠀⠀⠀⠀⠀⠀⠀
⠀⠀⠀⠀⠀⠀⠀⠀⠀⠀⠀⠀⠀⠀⠀⠀⠀⠀⠀⠀⠀⠀⠀⠀⠀⠀⠀⠀⠀⠀⠀⠀⠀⠈⠀⠀⠈⢉⣽⣸⡋⠀⠀⠀⠀⠀⡇⠀⠀⠀⠀⠀⠀⠀⠀⠀⠀⠀⠀⠀⠀⠀⠀⠀
⠀⠀⠀⠀⠀⠀⠀⠀⠀⠀⠀⠀⠀⠀⠀⠀⠀⠀⠀⠀⠀⠀⠀⠀⠀⠀⠀⣀⣀⣀⣠⣤⡤⠤⣬⠿⠿⢷⣧⣮⣾⡁⠀⠀⠀⠀⡇⠀⠀⠀⠀⠀⠀⠀⠀⠀⠀⠀⠀⠀⠀⠀⠀⠀
⠀⠀⠀⠀⠀⠀⣀⡀⠀⠀⠀⠀⠀⠀⠀⠀⠀⠀⠀⠀⠀⠀⠀⠀⠀⠀⣾⣿⣀⣈⣧⠠⠤⠤⠿⠤⠤⡾⢇⣇⢿⡟⣦⣀⠀⠀⡇⠀⠀⠀⠀⠀⠀⠀⠀⠀⠀⠀⠀⠀⠀⠀⠀⠀
⠀⠀⠀⠀⠘⢻⣷⠛⠀⠀⠀⠀⠀⠀⠀⠀⠀⠀⠀⠀⠀⠀⠀⢀⡰⣊⣁⣀⣀⣀⣀⣀⣀⣀⣀⣀⣜⣁⠀⠀⡹⠳⢟⢿⢷⣤⣇⡆⠀⠀⠀⠀⠀⠀⠀⠀⠀⠀⠀⠀⠀⠀⠀⠀
⠀⠀⠀⠀⢰⡞⣿⠛⠛⠛⠛⠛⠒⢲⡶⠦⢤⣤⣄⣀⣀⡀⠀⢸⢩⠓⠒⣖⢒⢲⠒⠒⢒⣶⠒⡖⡰⠚⠫⡍⣛⠷⣧⣝⣺⢿⣿⣿⠀⠀⠀⠀⠀⠀⠀⠀⠀⠀⠀⠀⠀⠀⠀⠀
⠀⠀⠀⠀⣸⡟⣿⣖⡒⠒⠲⠶⠶⢼⡧⣤⣤⣀⣀⣈⡉⣽⠛⢻⢿⣿⣾⣥⣜⡇⠴⠾⠭⠤⠾⠱⣿⣿⡞⡼⢺⣿⠑⢮⢽⣻⠾⣭⡄⠀⠀⠀⠀⠀⠀⠀⠀⠀⠀⠀⠀⠀⠀⠀
⠀⠀⠀⣤⣿⡽⠿⠿⠿⣿⣒⣒⣤⣼⣧⠤⣄⣹⣟⡯⠭⣿⢛⠟⠻⢯⣭⣽⠏⠙⠛⠿⣭⣍⣉⣹⣍⣚⡒⠵⢖⣸⠿⣼⣯⣡⡇⢰⠃⠀⠀⠀⠀⠀⠀⠀⠀⠀⠀⠀⠀⠀⠀⠀
⠀⠀⠀⣇⡠⠤⠤⠤⢀⣀⣀⣀⣀⣀⠀⠉⠉⠉⠉⢻⣿⣿⣿⣶⣶⣮⣀⣼⡉⠑⢲⠀⣿⣀⣀⡸⠀⢨⡏⠙⠓⣶⠯⣵⣛⡽⢤⣃⣀⣀⣀⣀⣀⣀⣀⣀⣀⣀⡀⠀⠀⠀⠀⠀
⠀⠀⠀⠘⢦⡠⠤⠀⠠⠤⠤⠤⠤⢈⣉⣉⣉⠁⠒⠚⢿⣿⣿⣿⣿⣿⣧⣻⣎⠉⠉⠒⠓⠪⠭⢯⣛⣻⠷⠤⣄⡟⠀⢰⠸⠩⢿⡷⢤⣀⡀⢰⡶⢗⠒⠚⢛⡖⠃⠀⠀⠀⠀⠀
⠀⠀⠀⠀⠀⠱⡄⠀⠀⠀⠀⠀⠀⠀⠀⠀⠀⠈⠉⠉⠉⣿⣿⣿⣿⣿⣿⣆⣿⣍⠑⠒⠒⠠⠤⢄⣀⣀⠉⠑⠒⠧⢄⡈⠀⠀⣸⠉⢠⠈⠙⣿⣷⡧⢵⣄⣸⡇⠀⠀⠀⠀⠀⠀
⠀⠀⠀⠀⠀⠀⠘⣆⠀⠀⠀⠀⠀⠀⠀⠀⠀⠀⠀⠀⠀⠘⣿⣿⣿⣿⣿⣿⡎⣿⡍⠉⠑⠒⠒⠤⠤⢄⣠⡶⢦⡤⡄⠈⠑⠒⠿⣄⡸⠀⢠⠿⢿⢳⣰⡟⢻⣟⣶⣤⡄⠀⠀⠀
⠀⠀⠀⠀⠀⠀⠀⠘⣆⠀⠀⠀⠐⠒⠒⠠⠤⠤⣀⣀⣀⠀⠙⣿⣿⣿⣿⣿⣿⡜⣷⡀⠀⠀⠀⠀⠀⠀⠘⠓⠿⠗⠓⠒⠤⠤⢄⣀⣬⣭⣕⠒⠚⠤⠤⠬⠉⠛⠓⠽⡤⡄⠀⠀
⠀⠀⠀⠀⠀⠀⠀⠀⠙⡄⠀⠀⠀⠀⠀⠀⠀⠀⠀⠀⠈⠉⠉⠹⣿⣿⣿⣿⣿⣿⣜⣷⡀⠀⠀⠀⠀⠀⠀⠀⠀⠀⠀⠀⠀⠀⠀⠀⠷⠾⠽⠒⠤⠤⣀⣀⠀⠀⠀⢸⡧⡇⠀⠀
⠀⠀⠀⠀⠀⠀⠀⠀⠀⠹⡄⠀⠀⠀⠀⠀⠀⠀⠀⠀⠀⠀⠀⠀⢹⣿⣿⣿⣿⣿⣷⡹⣯⠉⠉⠒⠒⠒⠤⠤⠤⢄⣀⣀⣀⠀⠀⠀⠀⠀⠀⠀⠀⠀⠀⠀⠉⠑⠒⠢⣭⠁⠀⠀
⠀⠀⠀⠀⠀⠀⠀⠀⠀⠀⢳⠀⠈⠉⠑⠒⠒⠤⠤⢄⣀⣀⠀⠀⠀⢻⣿⣿⣿⣿⣿⣷⢹⣇⠀⠀⠀⠀⠀⠀⠀⠀⠀⠀⠈⠉⠉⠉⠙⠒⠒⠒⠒⠒⠤⠤⢤⡔⠊⣋⠀⠈⠉⠩
⠀⠀⠀⠀⠀⠀⠀⠀⠀⠀⠀⢧⣀⣀⣀⣀⣀⣀⣀⣀⣀⢀⠉⢉⠐⠒⢻⣿⣿⣿⣿⣿⣧⢻⣆⠀⠀⠀⠀⠀⠀⠀⠀⠀⠀⢀⣀⣀⣀⣀⡤⠤⢒⣶⠋⠉⠉⢤⡼⡉⠀⠀⣌⣳
⠀⠀⠀⠀⠀⠀⠀⠀⠀⠀⠀⠘⣽⣿⣿⣿⡿⢿⣿⢿⣿⣿⣿⣿⣿⣿⣿⣿⣿⣿⣿⣿⣿⣿⣿⣿⣿⣿⣶⣿⡿⠛⠲⠶⠯⠧⠄⠒⠉⠒⠒⠤⠬⠭⠉⠁⠀⠀⣀⡩⣝⢿⡻⠽
⠓⠤⡴⠒⠤⣀⠤⠤⢴⣒⡉⠉⠁⡨⠓⢋⣲⠭⠀⠀⠈⠉⣟⠻⠿⠿⠿⠿⠛⠿⣟⠛⠛⠛⠛⠛⢋⡩⠶⡀⢄⣀⠈⠢⣀⠀⠀⠀⠒⠈⠁⠂⠀⠀⢀⣀⠊⠉⠉⠩⠭⠓⠋⠑
⠄⠠⠈⠉⠑⣒⡺⠽⠋⠔⡪⣔⣊⣁⠤⣯⣀⣀⠀⠀⠀⠄⠂⠄⠠⠀⠐⠚⠵⠆⠐⠒⠂⠀⣀⣩⡥⠤⣒⣚⣂⣀⣀⡐⠒⠛⠛⣉⣉⠉⠉⢉⣉⢉⣁⣈⣉⠒⠒⠊⠁⠀⠀⠀
⠁⠀⠠⠤⠒⢒⡲⠤⠄⡒⠉⠈⠉⠙⠢⠉⠻⠢⢍⣑⠒⠢⢤⡤⠔⠊⠛⢗⡖⠠⠤⠄⣉⣁⠀⠑⣤⠔⠒⠒⠂⠀⠀⠪⠭⠭⢍⣀⢀⡀⠀⠀⠀⠐⠒⠒⠒⠲⠦⠝⣛⡩⠥⠠
⠀⠀⠂⢈⡩⠗⠒⠒⠉⠀⣀⠀⠀⠀⠀⠠⠤⠤⠤⠄⠛⢊⡁⠤⠒⠉⣉⠒⠝⠢⠄⠀⠀⠀⠍⠒⡢⢥⡤⠤⠔⢒⣒⠴⠒⠒⠂⢤⣤⣤⡤⠔⠒⠙⠓⠒⠒⠒⢊⣉⠤⠔⠊⠀
⠀⠀⠀⠀⠀⢀⣀⣀⣀⣀⠠⠄⠒⠀⠀⠀⠀⠀⠀⠀⠀⠐⠒⠉⠉⠁⠀⠀⠉⠉⠒⠒⠢⠤⠤⠐⠚⠁⠈⠉⣉⡡⠔⠒⠉⠉⠑⠠⠤⠤⠀⠄⠀⣀⣒⣒⣊⠭⠥⠄⠀⠀⠀⠀
⠀⠀⠀⠀⠀⠁⠀⠀⠀⠀⠀⠀⠀⠀⠀⠀⠀⠀⠀⠀⠉⠉⠉⠉⠁⠀⠒⠒⠒⠂⠀⠀⠀⠀⠀⠀⠀⠒⠒⠉⠁⠀⠀⠀⠀⠀⠀⠀⠀⠀⠀⠀⠀⠀⠄⠠⠤⠤⠤⠤⠀⠀⠀⠀
SafeNow
Thursday - January 29th 2026 11:36PM MST
PS
Thank you, Mr. Adam Smith, for the detailed and interesting updates. The first photo of the dent opened just fine, but the next two would not open. I could not be sure just how serious the dent is, due to the light reflection. But I could see the MBZ hood ornament, and that’s enough to tell me that somehow I would get this fixed if it were my car.
I have printed-out the fine ship drawings to show to Mrs. SafeNow and enjoy in the future myself. We have fond memories of ships at sea, and will enjoy looking at these. I will make one comment about the “coast guard-style “ ship, if I may. It needs a diagonal stripe on the hull, near the bow. If you do an image search, you will see that they all have this stripe (this began when JFK decided USCG ships should all have it).
Thanks for the kittie report..I had been wondering, and a bit worried.
Best wishes, SafeNow
Thank you, Mr. Adam Smith, for the detailed and interesting updates. The first photo of the dent opened just fine, but the next two would not open. I could not be sure just how serious the dent is, due to the light reflection. But I could see the MBZ hood ornament, and that’s enough to tell me that somehow I would get this fixed if it were my car.
I have printed-out the fine ship drawings to show to Mrs. SafeNow and enjoy in the future myself. We have fond memories of ships at sea, and will enjoy looking at these. I will make one comment about the “coast guard-style “ ship, if I may. It needs a diagonal stripe on the hull, near the bow. If you do an image search, you will see that they all have this stripe (this began when JFK decided USCG ships should all have it).
Thanks for the kittie report..I had been wondering, and a bit worried.
Best wishes, SafeNow
Adam Smith
Thursday - January 29th 2026 9:14PM MST
PS: Good evening, Mr. SafeNow!
(This is completely off topic, but I've been meaning to get this message to you for days now, so I'm putting it here.)
My apologies for the very slow reply.
I hope this message finds you well.
Thank you for your sympathy about the wind-tree-branch car dent. Fortunately, it really isn't bad, but it does sting a little. (Even though a tree branch dent is probably overdue after parking under those trees all these years, I still don't like it.) I took a couple photos the other day...
https://i.ibb.co/GvRkvr61/Dent-1.jpg
https://i.ibb.co/7tySRqGT/Dent-2.jpg
https://i.ibb.co/7JvrV9XB/rust-bubble.jpg
(See. It's not so bad.) I think it is a good candidate for paintless dent repair. But I've never done paintless dent repair before. Maybe the local paint shop has experience with paintless dent repair? Or perhaps he knows a guy? Whatever... It is too cold to mess with it right now.
$2500 for a new windshield? Yikes. That's a half an ounce of gold! Not really surprising though, with all the cameras and sensors many of these newer "driver assist" cars and trucks have. I imagine that the wires and connectors for these windshields are fairly fragile. (and) There's probably some calibration procedures that require specialized computerized interface tools. I'm sure some vehicles are pretty complicated these days. Gone are the days of the "dumb" windshield.
Years ago, I had to replace the (dumb) windshield on my (now 36 year old) car. (Red BMW in the picture above. The windshield was broken when we got it.) Safelite Mike (I only remember his name because he was in my phone for years as Safelite Mike) came out and replaced the windshield in my driveway. Didn't take him long. Maybe an hour.(?) He seemed to do a really good job, and it's been about 15 years so I guess he did. If memory serves it was $300 out the door. (Including tip.) I don't hire many automotive things out, (I do my own wheel alignments with a string) but windshield replcement is one of those things. Mike really made it look easy. Definitely one of those jobs that is bigger than merely having the tools. (Not difficult, but not a DIY project either.)
𝐼 𝑤𝑎𝑠 𝑡ℎ𝑖𝑛𝑘𝑖𝑛𝑔 𝑜𝑓 𝑦𝑜𝑢 𝑎𝑛𝑑 𝑡ℎ𝑒 𝑘𝑖𝑡𝑡𝑖𝑒𝑠 𝑟𝑒𝑐𝑒𝑛𝑡𝑙𝑦, 𝑎𝑛𝑑 𝐼 𝑟𝑒𝑎𝑙𝑙𝑦 𝑎𝑝𝑝𝑟𝑒𝑐𝑖𝑎𝑡𝑒𝑑 𝑡ℎ𝑒 𝑢𝑝𝑑𝑎𝑡𝑒, 𝑎𝑛𝑑 𝐼 𝑎𝑝𝑝𝑟𝑒𝑐𝑖𝑎𝑡𝑒 𝑡ℎ𝑒 𝑐𝑜𝑛𝑛𝑒𝑐𝑡𝑖𝑜𝑛 𝑤𝑒 ℎ𝑎𝑣𝑒.
Thank you. I too appreciate our friendship and connection. And I'm happy to report that the kitties are doing great. They had to "rough it" a little the other night when it got so chilly but they didn't seem bothered. (It bottomed out around 12°F the other night.) It was the first night this season when their kitty heater couldn't quite keep up with the cold. By morning their house was only 62° (Fortunately, they're pretty cold tolerant.)
I found it a little interesting though. At 20°F the heater has no problem maintaining the kitty house temp between 70° and 76° or so, even when it's windy. (I set the thermostat at 74° and it fluctuates as it cycles. Keeps the temp a little higher or lower depending on the outside temp, wind and sun, etc.) But somewhere below about 17° maybe 15° I could see the heater losing the ability to keep up as the temperature slowly fell below 70°. (Then 69°, 68°, 67°...) Come morning it was the same in reverse. As it warmed to maybe 15° I could see the temperature slowly start climbing from 62° towards 70° and then it warmed up and everything was back to mormal. But just those last few degrees somewhere around 15° take it beyond the edge. (Oh well. I'm rambling now.)
But yes. Our two girls are finally friends. (Baby Girl has become quite tolerant, perhaps even a bit protective, of her little sister.) There has been no animosity in the kitty house and other than when Miss Kitty jumps on Baby Girl trying to wrestle with her (the kitten wants to wrestle with someone, anyone, so bad), they are getting along great.
So... I've been looking for a coast guard style ship to turn into dot art for the PS comment window. (Some of these dot art things work really well, others just won't work in this format. Sometimes, something I think will work well doesn't. Other times, something looks great as is without any photoshopping. It's a fickle medium.) Most of what I tinkered with so far either looks not so good or too cartoonish. But... I think I found something that works. It's not quite what I imagined, but it's the closest I have right now. (I'm posting a fishing boat too, because I like it, even though it's not a coast guard cutter or what I was looking for.)(You'll find them below this message.)
So yeah... That's about it for now and I'm getting a little sleepy headed. so...
Thank you much for your kind comments.
I hope you have a great evening, Mr. SafeNow! ☮️
(This is completely off topic, but I've been meaning to get this message to you for days now, so I'm putting it here.)
My apologies for the very slow reply.
I hope this message finds you well.
Thank you for your sympathy about the wind-tree-branch car dent. Fortunately, it really isn't bad, but it does sting a little. (Even though a tree branch dent is probably overdue after parking under those trees all these years, I still don't like it.) I took a couple photos the other day...
https://i.ibb.co/GvRkvr61/Dent-1.jpg
https://i.ibb.co/7tySRqGT/Dent-2.jpg
https://i.ibb.co/7JvrV9XB/rust-bubble.jpg
(See. It's not so bad.) I think it is a good candidate for paintless dent repair. But I've never done paintless dent repair before. Maybe the local paint shop has experience with paintless dent repair? Or perhaps he knows a guy? Whatever... It is too cold to mess with it right now.
$2500 for a new windshield? Yikes. That's a half an ounce of gold! Not really surprising though, with all the cameras and sensors many of these newer "driver assist" cars and trucks have. I imagine that the wires and connectors for these windshields are fairly fragile. (and) There's probably some calibration procedures that require specialized computerized interface tools. I'm sure some vehicles are pretty complicated these days. Gone are the days of the "dumb" windshield.
Years ago, I had to replace the (dumb) windshield on my (now 36 year old) car. (Red BMW in the picture above. The windshield was broken when we got it.) Safelite Mike (I only remember his name because he was in my phone for years as Safelite Mike) came out and replaced the windshield in my driveway. Didn't take him long. Maybe an hour.(?) He seemed to do a really good job, and it's been about 15 years so I guess he did. If memory serves it was $300 out the door. (Including tip.) I don't hire many automotive things out, (I do my own wheel alignments with a string) but windshield replcement is one of those things. Mike really made it look easy. Definitely one of those jobs that is bigger than merely having the tools. (Not difficult, but not a DIY project either.)
𝐼 𝑤𝑎𝑠 𝑡ℎ𝑖𝑛𝑘𝑖𝑛𝑔 𝑜𝑓 𝑦𝑜𝑢 𝑎𝑛𝑑 𝑡ℎ𝑒 𝑘𝑖𝑡𝑡𝑖𝑒𝑠 𝑟𝑒𝑐𝑒𝑛𝑡𝑙𝑦, 𝑎𝑛𝑑 𝐼 𝑟𝑒𝑎𝑙𝑙𝑦 𝑎𝑝𝑝𝑟𝑒𝑐𝑖𝑎𝑡𝑒𝑑 𝑡ℎ𝑒 𝑢𝑝𝑑𝑎𝑡𝑒, 𝑎𝑛𝑑 𝐼 𝑎𝑝𝑝𝑟𝑒𝑐𝑖𝑎𝑡𝑒 𝑡ℎ𝑒 𝑐𝑜𝑛𝑛𝑒𝑐𝑡𝑖𝑜𝑛 𝑤𝑒 ℎ𝑎𝑣𝑒.
Thank you. I too appreciate our friendship and connection. And I'm happy to report that the kitties are doing great. They had to "rough it" a little the other night when it got so chilly but they didn't seem bothered. (It bottomed out around 12°F the other night.) It was the first night this season when their kitty heater couldn't quite keep up with the cold. By morning their house was only 62° (Fortunately, they're pretty cold tolerant.)
I found it a little interesting though. At 20°F the heater has no problem maintaining the kitty house temp between 70° and 76° or so, even when it's windy. (I set the thermostat at 74° and it fluctuates as it cycles. Keeps the temp a little higher or lower depending on the outside temp, wind and sun, etc.) But somewhere below about 17° maybe 15° I could see the heater losing the ability to keep up as the temperature slowly fell below 70°. (Then 69°, 68°, 67°...) Come morning it was the same in reverse. As it warmed to maybe 15° I could see the temperature slowly start climbing from 62° towards 70° and then it warmed up and everything was back to mormal. But just those last few degrees somewhere around 15° take it beyond the edge. (Oh well. I'm rambling now.)
But yes. Our two girls are finally friends. (Baby Girl has become quite tolerant, perhaps even a bit protective, of her little sister.) There has been no animosity in the kitty house and other than when Miss Kitty jumps on Baby Girl trying to wrestle with her (the kitten wants to wrestle with someone, anyone, so bad), they are getting along great.
So... I've been looking for a coast guard style ship to turn into dot art for the PS comment window. (Some of these dot art things work really well, others just won't work in this format. Sometimes, something I think will work well doesn't. Other times, something looks great as is without any photoshopping. It's a fickle medium.) Most of what I tinkered with so far either looks not so good or too cartoonish. But... I think I found something that works. It's not quite what I imagined, but it's the closest I have right now. (I'm posting a fishing boat too, because I like it, even though it's not a coast guard cutter or what I was looking for.)(You'll find them below this message.)
So yeah... That's about it for now and I'm getting a little sleepy headed. so...
Thank you much for your kind comments.
I hope you have a great evening, Mr. SafeNow! ☮️
Adam Smith
Thursday - January 29th 2026 9:14PM MST
PS: Good evening, Mr. SafeNow! ☮️
⠀⠀⠀⠀⠀⠀⠀⠀⠀⠀⠀⠀⠀⠀⠀⠀⠀⠀⠀⠀⠀⠀⠀⠀⠀⠀⠀⠀⠀⠀⠀⠀⠀⠀⠀⠀⠀⠀⠀⠀⡄⠀⠀⠀⠀⠀⠀⠀⠀⠀⠀⠀⠀⠀⠀⠀⠀⠀⠀⠀⠀⠀⠀⠀
⠀⠀⠀⠀⠀⠀⠀⠀⠀⠀⠀⠀⠀⠀⠀⠀⠀⠀⠀⠀⠀⠀⠀⠀⠀⠀⠀⠀⠀⠀⠀⠀⠀⠀⠀⠀⠀⠀⠀⠀⡇⠀⠀⠀⠀⠀⠀⠀⠀⠀⠀⠀⠀⠀⠀⠀⠀⠀⠀⠀⠀⠀⠀⠀
⠀⠀⠀⠀⠀⠀⠀⠀⠀⠀⠀⠀⠀⠀⠀⠀⠀⠀⠀⠀⠀⠀⠀⠀⠀⠀⠀⠀⠀⠀⠀⠀⠀⠀⠀⠀⠀⠀⢰⠋⠉⡆⠀⠀⠀⠀⠀⠀⠀⠀⠀⠀⠀⠀⠀⠀⠀⠀⠀⠀⠀⠀⠀⠀
⠀⠀⠀⠀⠀⠀⠀⠀⠀⠀⠀⠀⠀⠀⠀⠀⠀⠀⠀⠀⠀⠀⠀⠀⠀⠀⠀⠀⠀⠀⠀⠀⠀⠀⠀⠀⠀⠀⠞⢻⣿⠷⢣⠀⠀⠀⠀⠀⠀⠀⠀⠀⠀⠀⠀⠀⠀⠀⠀⠀⠀⠀⠀⠀
⠀⠀⠀⠀⠀⠀⠀⠀⠀⠀⠀⠀⠀⠀⠀⠀⠀⠀⠀⠀⠀⠀⠀⠀⠀⠀⠀⠀⠀⠀⠀⠀⠀⠀⢀⠀⣠⠤⣿⣾⣷⣶⣞⡂⠀⠀⠀⠀⠀⠀⠀⠀⠀⠀⠀⠀⠀⠀⠀⠀⠀⠀⠀⠀
⠀⠀⠀⠀⠀⠀⠀⠀⠀⠀⠀⠀⠀⠀⠀⠀⠀⠀⠀⠀⠀⠀⠀⠀⠀⠀⠀⠀⠀⠀⠀⠀⠀⢸⣭⣷⣽⣭⣳⢿⣮⡶⠾⠾⠶⠀⡄⠀⠀⠀⠀⠀⠀⠀⠀⠀⠀⠀⠀⠀⠀⠀⠀⠀
⠀⠀⠀⠀⠀⠀⠀⠀⠀⠀⠀⠀⠀⠀⠀⠀⠀⠀⠀⠀⠀⠀⠀⠀⠀⠀⠀⠀⠀⠀⠀⠀⠀⠈⠁⠀⠈⢉⣽⣼⡋⠀⠀⠀⠀⠀⡇⠀⠀⠀⠀⠀⠀⠀⠀⠀⠀⠀⠀⠀⠀⠀⠀⠀
⠀⠀⠀⠀⠀⠀⠀⠀⠀⠀⠀⠀⠀⠀⠀⠀⠀⠀⠀⠀⠀⠀⠀⠀⠀⠀⠀⣀⣀⣀⣠⣤⣤⠤⣬⠿⠿⢷⣧⣯⣾⡁⠀⠀⠀⠀⡇⠀⠀⠀⠀⠀⠀⠀⠀⠀⠀⠀⠀⠀⠀⠀⠀⠀
⠀⠀⠀⠀⠀⠀⣀⡀⠀⠀⠀⠀⠀⠀⠀⠀⠀⠀⠀⠀⠀⠀⠀⠀⠀⠀⡼⣿⣀⣈⣧⠠⠤⠤⠿⠤⠤⡾⣃⣇⣿⡟⣦⣀⠀⠀⡇⠀⠀⠀⠀⠀⠀⠀⠀⠀⠀⠀⠀⠀⠀⠀⠀⠀
⠀⠀⠀⠀⠘⢻⣿⠛⠀⠀⠀⠀⠀⠀⠀⠀⠀⠀⠀⠀⠀⠀⠀⢀⡰⢊⣁⣀⣀⣀⣀⣀⣀⣀⣀⣀⣜⣁⠀⠈⡹⠳⣟⢻⣷⣤⣇⡆⠀⠀⠀⠀⠀⠀⠀⠀⠀⠀⠀⠀⠀⠀⠀⠀
⠀⠀⠀⠀⢰⡞⣿⠛⠛⠛⠛⠓⠒⢲⡶⠦⢤⣤⣄⣀⣀⠀⠀⢸⣩⠑⠒⣖⢲⢰⠒⠒⢒⣶⠒⡖⡰⡚⠫⡕⣛⠷⣧⣝⣺⢿⣿⣷⠀⠀⠀⠀⠀⠀⠀⠀⠀⠀⠀⠀⠀⠀⠀⠀
⠀⠀⠀⠀⣸⡟⣿⣖⡒⠒⠶⠶⠦⢼⡧⣤⣤⣀⣀⣈⡉⣽⠛⢻⢿⣿⣿⣭⣜⡇⠴⠾⠭⠤⠼⠰⣿⣿⡟⡼⢳⣿⠑⢮⢝⣻⠾⣽⡄⠀⠀⠀⠀⠀⠀⠀⠀⠀⠀⠀⠀⠀⠀⠀
⠀⠀⠀⣤⣿⡽⠿⠿⠿⣟⣒⣲⣤⣼⣧⠤⣄⣹⣟⡯⠭⣿⢛⠟⠿⢯⣭⣹⠏⠙⠛⠿⣭⣍⣉⣹⣅⣚⡒⠵⢖⣸⠿⣾⣯⣥⡇⣰⠃⠀⠀⠀⠀⠀⠀⠀⠀⠀⠀⠀⠀⠀⠀⠀
⠀⠀⠀⣇⡠⠤⠤⠤⣀⣀⣀⣀⣀⣀⠈⠉⠉⠉⠉⠛⠛⠛⠻⠷⠶⠮⣀⣾⡉⠑⢲⠀⣿⣀⣀⡸⠀⢨⡏⠙⠓⣶⠯⣽⣛⡿⢤⣃⣀⣀⣀⣀⣀⣀⣀⣀⣀⣀⡀⠀⠀⠀⠀⠀
⠀⠀⠀⠘⢦⡠⠤⠤⠤⠤⠤⠤⠤⢈⣉⣉⣉⠑⠒⠒⠒⠢⠤⠤⢤⣀⣀⣀⠈⠉⠉⠒⠓⠪⠭⢯⣛⣺⠷⠤⣄⡟⠀⢸⢸⠫⢷⡷⢤⣀⡀⢰⡾⣗⠒⠚⢛⡖⠃⠀⠀⠀⠀⠀
⠀⠀⠀⠀⠀⠱⡄⠀⠀⠀⠀⠀⠀⠀⠀⠀⠀⠈⠉⠉⠁⠒⠒⠒⠠⠤⠤⢄⣉⣉⠑⠒⠒⠤⠤⢄⣀⡈⠉⠑⠒⠧⣄⡘⠀⠀⢸⠉⢠⠈⡝⣿⣷⡧⢵⣄⣸⡇⠀⠀⠀⠀⠀⠀
⠀⠀⠀⠀⠀⠀⠹⣆⠀⠀⠀⠀⠀⠀⠀⠀⠀⠀⠀⠀⠀⠀⠀⠀⠀⠀⠀⠀⠀⠀⠉⠉⠑⠒⠒⠤⠤⢌⣡⡶⢶⡤⡄⠈⠑⠲⠿⣄⡸⠀⢠⠿⢿⢓⣰⡟⢻⣟⣶⣤⡄⠀⠀⠀
⠀⠀⠀⠀⠀⠀⠀⠘⣆⠀⠀⠈⠐⠒⠒⠤⠤⠤⣀⣀⣀⠀⠀⠀⠀⠀⠀⠀⠀⠀⠀⠀⠀⠀⠀⠀⠀⠀⠘⠓⠿⠗⠓⠒⠤⠤⢄⣀⣬⣭⣕⠒⠚⠤⠤⠬⠉⠚⠓⠽⡤⡄⠀⠀
⠀⠀⠀⠀⠀⠀⠀⠀⠙⡄⠀⠀⠀⠀⠀⠀⠀⠀⠀⠀⠈⠉⠉⠓⠒⠒⠤⠤⠤⣀⣀⣀⠀⠀⠀⠀⠀⠀⠀⠀⠀⠀⠀⠀⠀⠀⠀⠀⠷⠾⠼⠒⠤⠤⣀⣀⠀⠀⠀⢸⣧⡇⠀⠀
⠀⠀⠀⠀⠀⠀⠀⠀⠀⠹⡀⠀⠀⠀⠀⠀⠀⠀⠀⠀⠀⠀⠀⠀⠀⠀⠀⠀⠀⠀⠀⠀⠉⠉⠉⠒⠒⠒⠤⠤⠤⢄⣀⣀⣀⠀⠀⠀⠀⠀⠀⠀⠀⠀⠀⠀⠉⠑⠒⢢⣭⢁⣀⢀
⠀⠀⠀⠀⠀⠀⠀⠀⠀⠀⢳⠀⠈⠉⠑⠒⠒⠤⠤⢀⣀⡀⠀⠀⠀⠀⠀⠀⠀⠀⠀⠀⠀⠀⠀⠀⠀⠀⠀⠀⠀⠀⠀⠀⠉⠉⠉⠉⠙⠒⠒⠒⠒⠲⠤⠤⢤⡔⠪⣋⠅⠨⠋⠽
⠀⠀⠀⠀⠀⠀⠀⠀⠀⠀⠈⣇⣀⣀⣀⣀⣀⣀⣀⣀⣀⣈⠉⠉⠒⠒⠲⠤⠤⢀⣀⡀⠀⠀⠀⠀⠀⠀⠀⠀⠀⠀⠀⠀⠀⢀⣀⣀⣀⣀⡤⠴⢒⣶⠋⠉⠩⢤⡼⡉⠠⠠⣬⣻
⠀⠀⠀⠀⠀⠀⠀⠀⠀⠀⠀⠘⣿⣿⣿⣿⡿⢿⣿⢿⣿⣿⣿⣿⣿⣿⣿⣿⣿⣿⣿⣿⣿⣿⣿⣿⣿⣿⣿⣿⡿⠛⠒⠶⠯⠧⠄⠐⠉⠒⠒⠤⠬⠭⠉⠁⠈⠀⣀⡩⣝⢿⡻⠽
⠳⠤⣴⠒⢤⣀⠤⠤⢴⣒⡉⠉⠁⡨⠓⢋⣒⠭⠀⠀⠈⠹⣟⠻⠿⠿⠿⠿⠛⠿⣟⠛⠛⠛⠛⠛⢋⡩⠧⡠⢄⣀⠈⠢⣀⠀⠀⠀⠒⠈⠁⠒⠀⠀⢀⡐⠋⠉⠉⠡⠭⠓⠋⠙
⠄⠠⠌⠉⠑⣒⡺⠽⠫⠔⡫⣔⣊⣁⠤⣯⣀⣀⠀⠀⠀⠄⠂⠤⠤⠀⠐⠺⠵⠖⠐⠒⠂⠀⣀⣭⣥⠤⣒⣚⣂⣀⣀⡒⠒⠛⠛⣉⣉⠉⠉⢉⣉⣉⣁⣈⣉⠒⠒⠊⠁⠀⠀⠀
⠁⠀⠤⠤⠒⢒⡲⠤⠄⡒⠉⠈⠉⠙⠢⠉⠻⡢⢍⣑⠒⠤⢤⡤⠔⠪⠛⢗⠖⠤⠤⠌⣉⣁⠀⠑⣤⠔⠒⠒⠂⠀⠀⠪⠭⠭⢍⣀⢀⡀⠀⠀⠀⠐⠒⠒⠒⠲⠦⠝⣛⡩⠥⠤
⠀⠀⠂⢈⡩⠗⠒⠒⠉⢀⣄⡀⠀⠀⠀⠤⠤⠤⠤⠄⠛⢊⡁⠤⠒⠉⢉⠒⠝⠲⠄⠀⠀⠀⠍⠒⡠⢥⡤⠤⠔⢒⣒⠶⠒⠒⠢⢤⣤⣤⡤⠔⠒⠙⠓⠒⠒⠒⢊⣉⠤⠔⠊⠀
⠀⠀⠈⠀⠀⠀⣀⣀⣀⣀⠤⠄⠒⠠⠤⠀⠀⠀⠀⠀⠀⠐⠒⠈⠉⠁⠀⠈⠉⠁⠒⠒⠠⠤⠤⠐⠒⠁⠈⠉⢉⡡⠔⠒⠉⠉⠑⠠⠤⠤⠤⠤⠀⣀⣒⣒⣊⠩⠥⠔⠒⠒⠒⠒
⠀⠀⠀⠀⠈⠁⠀⠀⠀⠀⠀⠀⠀⠀⠀⠀⠀⠀⠀⠈⠉⠉⠉⠉⠁⠐⠒⠒⠒⠂⠀⠀⠀⠀⠀⠠⠄⠒⠒⠉⠁⠀⠀⠀⠀⠀⠀⠀⠀⠀⠀⠀⠀⠠⠤⠤⠤⠤⠤⠤⠄⠀⠀⠀
⠀⠀⠀⠀⠀⠀⠀⠀⠀⠀⠀⠀⠀⠀⠀⠀⠀⠀⠀⠀⠀⠀⠀⠀⠀⠀⠀⠀⠀⠀⠀⠀⠀⠀⠀⠀⠀⠀⠀⠀⡄⠀⠀⠀⠀⠀⠀⠀⠀⠀⠀⠀⠀⠀⠀⠀⠀⠀⠀⠀⠀⠀⠀⠀
⠀⠀⠀⠀⠀⠀⠀⠀⠀⠀⠀⠀⠀⠀⠀⠀⠀⠀⠀⠀⠀⠀⠀⠀⠀⠀⠀⠀⠀⠀⠀⠀⠀⠀⠀⠀⠀⠀⠀⠀⡇⠀⠀⠀⠀⠀⠀⠀⠀⠀⠀⠀⠀⠀⠀⠀⠀⠀⠀⠀⠀⠀⠀⠀
⠀⠀⠀⠀⠀⠀⠀⠀⠀⠀⠀⠀⠀⠀⠀⠀⠀⠀⠀⠀⠀⠀⠀⠀⠀⠀⠀⠀⠀⠀⠀⠀⠀⠀⠀⠀⠀⠀⢰⠋⠉⡆⠀⠀⠀⠀⠀⠀⠀⠀⠀⠀⠀⠀⠀⠀⠀⠀⠀⠀⠀⠀⠀⠀
⠀⠀⠀⠀⠀⠀⠀⠀⠀⠀⠀⠀⠀⠀⠀⠀⠀⠀⠀⠀⠀⠀⠀⠀⠀⠀⠀⠀⠀⠀⠀⠀⠀⠀⠀⠀⠀⠀⠞⢻⣿⠷⢣⠀⠀⠀⠀⠀⠀⠀⠀⠀⠀⠀⠀⠀⠀⠀⠀⠀⠀⠀⠀⠀
⠀⠀⠀⠀⠀⠀⠀⠀⠀⠀⠀⠀⠀⠀⠀⠀⠀⠀⠀⠀⠀⠀⠀⠀⠀⠀⠀⠀⠀⠀⠀⠀⠀⠀⢀⠀⣠⠤⣿⣾⣷⣶⣞⡂⠀⠀⠀⠀⠀⠀⠀⠀⠀⠀⠀⠀⠀⠀⠀⠀⠀⠀⠀⠀
⠀⠀⠀⠀⠀⠀⠀⠀⠀⠀⠀⠀⠀⠀⠀⠀⠀⠀⠀⠀⠀⠀⠀⠀⠀⠀⠀⠀⠀⠀⠀⠀⠀⢸⣭⣷⣽⣭⣳⢿⣮⡶⠾⠾⠶⠀⡄⠀⠀⠀⠀⠀⠀⠀⠀⠀⠀⠀⠀⠀⠀⠀⠀⠀
⠀⠀⠀⠀⠀⠀⠀⠀⠀⠀⠀⠀⠀⠀⠀⠀⠀⠀⠀⠀⠀⠀⠀⠀⠀⠀⠀⠀⠀⠀⠀⠀⠀⠈⠁⠀⠈⢉⣽⣼⡋⠀⠀⠀⠀⠀⡇⠀⠀⠀⠀⠀⠀⠀⠀⠀⠀⠀⠀⠀⠀⠀⠀⠀
⠀⠀⠀⠀⠀⠀⠀⠀⠀⠀⠀⠀⠀⠀⠀⠀⠀⠀⠀⠀⠀⠀⠀⠀⠀⠀⠀⣀⣀⣀⣠⣤⣤⠤⣬⠿⠿⢷⣧⣯⣾⡁⠀⠀⠀⠀⡇⠀⠀⠀⠀⠀⠀⠀⠀⠀⠀⠀⠀⠀⠀⠀⠀⠀
⠀⠀⠀⠀⠀⠀⣀⡀⠀⠀⠀⠀⠀⠀⠀⠀⠀⠀⠀⠀⠀⠀⠀⠀⠀⠀⡼⣿⣀⣈⣧⠠⠤⠤⠿⠤⠤⡾⣃⣇⣿⡟⣦⣀⠀⠀⡇⠀⠀⠀⠀⠀⠀⠀⠀⠀⠀⠀⠀⠀⠀⠀⠀⠀
⠀⠀⠀⠀⠘⢻⣿⠛⠀⠀⠀⠀⠀⠀⠀⠀⠀⠀⠀⠀⠀⠀⠀⢀⡰⢊⣁⣀⣀⣀⣀⣀⣀⣀⣀⣀⣜⣁⠀⠈⡹⠳⣟⢻⣷⣤⣇⡆⠀⠀⠀⠀⠀⠀⠀⠀⠀⠀⠀⠀⠀⠀⠀⠀
⠀⠀⠀⠀⢰⡞⣿⠛⠛⠛⠛⠓⠒⢲⡶⠦⢤⣤⣄⣀⣀⠀⠀⢸⣩⠑⠒⣖⢲⢰⠒⠒⢒⣶⠒⡖⡰⡚⠫⡕⣛⠷⣧⣝⣺⢿⣿⣷⠀⠀⠀⠀⠀⠀⠀⠀⠀⠀⠀⠀⠀⠀⠀⠀
⠀⠀⠀⠀⣸⡟⣿⣖⡒⠒⠶⠶⠦⢼⡧⣤⣤⣀⣀⣈⡉⣽⠛⢻⢿⣿⣿⣭⣜⡇⠴⠾⠭⠤⠼⠰⣿⣿⡟⡼⢳⣿⠑⢮⢝⣻⠾⣽⡄⠀⠀⠀⠀⠀⠀⠀⠀⠀⠀⠀⠀⠀⠀⠀
⠀⠀⠀⣤⣿⡽⠿⠿⠿⣟⣒⣲⣤⣼⣧⠤⣄⣹⣟⡯⠭⣿⢛⠟⠿⢯⣭⣹⠏⠙⠛⠿⣭⣍⣉⣹⣅⣚⡒⠵⢖⣸⠿⣾⣯⣥⡇⣰⠃⠀⠀⠀⠀⠀⠀⠀⠀⠀⠀⠀⠀⠀⠀⠀
⠀⠀⠀⣇⡠⠤⠤⠤⣀⣀⣀⣀⣀⣀⠈⠉⠉⠉⠉⠛⠛⠛⠻⠷⠶⠮⣀⣾⡉⠑⢲⠀⣿⣀⣀⡸⠀⢨⡏⠙⠓⣶⠯⣽⣛⡿⢤⣃⣀⣀⣀⣀⣀⣀⣀⣀⣀⣀⡀⠀⠀⠀⠀⠀
⠀⠀⠀⠘⢦⡠⠤⠤⠤⠤⠤⠤⠤⢈⣉⣉⣉⠑⠒⠒⠒⠢⠤⠤⢤⣀⣀⣀⠈⠉⠉⠒⠓⠪⠭⢯⣛⣺⠷⠤⣄⡟⠀⢸⢸⠫⢷⡷⢤⣀⡀⢰⡾⣗⠒⠚⢛⡖⠃⠀⠀⠀⠀⠀
⠀⠀⠀⠀⠀⠱⡄⠀⠀⠀⠀⠀⠀⠀⠀⠀⠀⠈⠉⠉⠁⠒⠒⠒⠠⠤⠤⢄⣉⣉⠑⠒⠒⠤⠤⢄⣀⡈⠉⠑⠒⠧⣄⡘⠀⠀⢸⠉⢠⠈⡝⣿⣷⡧⢵⣄⣸⡇⠀⠀⠀⠀⠀⠀
⠀⠀⠀⠀⠀⠀⠹⣆⠀⠀⠀⠀⠀⠀⠀⠀⠀⠀⠀⠀⠀⠀⠀⠀⠀⠀⠀⠀⠀⠀⠉⠉⠑⠒⠒⠤⠤⢌⣡⡶⢶⡤⡄⠈⠑⠲⠿⣄⡸⠀⢠⠿⢿⢓⣰⡟⢻⣟⣶⣤⡄⠀⠀⠀
⠀⠀⠀⠀⠀⠀⠀⠘⣆⠀⠀⠈⠐⠒⠒⠤⠤⠤⣀⣀⣀⠀⠀⠀⠀⠀⠀⠀⠀⠀⠀⠀⠀⠀⠀⠀⠀⠀⠘⠓⠿⠗⠓⠒⠤⠤⢄⣀⣬⣭⣕⠒⠚⠤⠤⠬⠉⠚⠓⠽⡤⡄⠀⠀
⠀⠀⠀⠀⠀⠀⠀⠀⠙⡄⠀⠀⠀⠀⠀⠀⠀⠀⠀⠀⠈⠉⠉⠓⠒⠒⠤⠤⠤⣀⣀⣀⠀⠀⠀⠀⠀⠀⠀⠀⠀⠀⠀⠀⠀⠀⠀⠀⠷⠾⠼⠒⠤⠤⣀⣀⠀⠀⠀⢸⣧⡇⠀⠀
⠀⠀⠀⠀⠀⠀⠀⠀⠀⠹⡀⠀⠀⠀⠀⠀⠀⠀⠀⠀⠀⠀⠀⠀⠀⠀⠀⠀⠀⠀⠀⠀⠉⠉⠉⠒⠒⠒⠤⠤⠤⢄⣀⣀⣀⠀⠀⠀⠀⠀⠀⠀⠀⠀⠀⠀⠉⠑⠒⢢⣭⢁⣀⢀
⠀⠀⠀⠀⠀⠀⠀⠀⠀⠀⢳⠀⠈⠉⠑⠒⠒⠤⠤⢀⣀⡀⠀⠀⠀⠀⠀⠀⠀⠀⠀⠀⠀⠀⠀⠀⠀⠀⠀⠀⠀⠀⠀⠀⠉⠉⠉⠉⠙⠒⠒⠒⠒⠲⠤⠤⢤⡔⠪⣋⠅⠨⠋⠽
⠀⠀⠀⠀⠀⠀⠀⠀⠀⠀⠈⣇⣀⣀⣀⣀⣀⣀⣀⣀⣀⣈⠉⠉⠒⠒⠲⠤⠤⢀⣀⡀⠀⠀⠀⠀⠀⠀⠀⠀⠀⠀⠀⠀⠀⢀⣀⣀⣀⣀⡤⠴⢒⣶⠋⠉⠩⢤⡼⡉⠠⠠⣬⣻
⠀⠀⠀⠀⠀⠀⠀⠀⠀⠀⠀⠘⣿⣿⣿⣿⡿⢿⣿⢿⣿⣿⣿⣿⣿⣿⣿⣿⣿⣿⣿⣿⣿⣿⣿⣿⣿⣿⣿⣿⡿⠛⠒⠶⠯⠧⠄⠐⠉⠒⠒⠤⠬⠭⠉⠁⠈⠀⣀⡩⣝⢿⡻⠽
⠳⠤⣴⠒⢤⣀⠤⠤⢴⣒⡉⠉⠁⡨⠓⢋⣒⠭⠀⠀⠈⠹⣟⠻⠿⠿⠿⠿⠛⠿⣟⠛⠛⠛⠛⠛⢋⡩⠧⡠⢄⣀⠈⠢⣀⠀⠀⠀⠒⠈⠁⠒⠀⠀⢀⡐⠋⠉⠉⠡⠭⠓⠋⠙
⠄⠠⠌⠉⠑⣒⡺⠽⠫⠔⡫⣔⣊⣁⠤⣯⣀⣀⠀⠀⠀⠄⠂⠤⠤⠀⠐⠺⠵⠖⠐⠒⠂⠀⣀⣭⣥⠤⣒⣚⣂⣀⣀⡒⠒⠛⠛⣉⣉⠉⠉⢉⣉⣉⣁⣈⣉⠒⠒⠊⠁⠀⠀⠀
⠁⠀⠤⠤⠒⢒⡲⠤⠄⡒⠉⠈⠉⠙⠢⠉⠻⡢⢍⣑⠒⠤⢤⡤⠔⠪⠛⢗⠖⠤⠤⠌⣉⣁⠀⠑⣤⠔⠒⠒⠂⠀⠀⠪⠭⠭⢍⣀⢀⡀⠀⠀⠀⠐⠒⠒⠒⠲⠦⠝⣛⡩⠥⠤
⠀⠀⠂⢈⡩⠗⠒⠒⠉⢀⣄⡀⠀⠀⠀⠤⠤⠤⠤⠄⠛⢊⡁⠤⠒⠉⢉⠒⠝⠲⠄⠀⠀⠀⠍⠒⡠⢥⡤⠤⠔⢒⣒⠶⠒⠒⠢⢤⣤⣤⡤⠔⠒⠙⠓⠒⠒⠒⢊⣉⠤⠔⠊⠀
⠀⠀⠈⠀⠀⠀⣀⣀⣀⣀⠤⠄⠒⠠⠤⠀⠀⠀⠀⠀⠀⠐⠒⠈⠉⠁⠀⠈⠉⠁⠒⠒⠠⠤⠤⠐⠒⠁⠈⠉⢉⡡⠔⠒⠉⠉⠑⠠⠤⠤⠤⠤⠀⣀⣒⣒⣊⠩⠥⠔⠒⠒⠒⠒
⠀⠀⠀⠀⠈⠁⠀⠀⠀⠀⠀⠀⠀⠀⠀⠀⠀⠀⠀⠈⠉⠉⠉⠉⠁⠐⠒⠒⠒⠂⠀⠀⠀⠀⠀⠠⠄⠒⠒⠉⠁⠀⠀⠀⠀⠀⠀⠀⠀⠀⠀⠀⠀⠠⠤⠤⠤⠤⠤⠤⠄⠀⠀⠀
Adam Smith
Thursday - January 29th 2026 9:14PM MST
PS: Good evening, Mr. SafeNow! ☮️
⠀⠀⠀⠀⠀⠀⠀⠀⠀⠀⠀⠀⠀⠀⠀⠀⠀⠀⠀⠀⠀⠀⠀⠀⠀⠀⠀⠀⠀⠀⠀⠀⠀⠀⠀⠀⠰⣍⡗⠀⠀⠀⠀⠀⠀⠀⠀⠀⠀⠀⠀⠀⠀⠀⠀⠀⠀⠀⠀⠀⠀
⠀⠀⠀⠀⠀⠀⠀⠀⠀⠀⠀⠀⠀⠀⠀⠀⠀⠀⠀⠀⠀⠀⠀⠀⠀⠀⠀⠀⠀⠀⠀⠀⠀⠀⠀⢀⢜⣿⡅⠀⠀⠀⠀⠀⠀⠀⠀⠀⠀⠀⠀⠀⠀⠀⠀⠀⠀⠀⠀⠀⠀
⠀⠀⠀⠀⠀⠀⠀⠀⠀⠀⠀⠀⠀⠀⠀⠀⠀⠀⠀⠀⠀⠀⠀⠀⠀⠀⠀⠀⠀⠀⠀⠀⠀⠀⡠⣫⢋⢻⠹⡄⠀⠀⠀⠀⠀⠀⠀⠀⠀⠀⠀⠀⠀⠀⠀⠀⠀⠀⠀⠀⠀
⠀⠀⠀⠀⠀⠀⠀⠀⠀⠀⠀⠀⠀⠀⠀⠀⠀⠀⠀⠀⠀⠀⠀⠀⠀⠀⠀⠀⠀⠀⠀⠀⢀⡔⡵⠁⢸⣿⠀⠱⡀⠀⠀⠀⠀⠀⠀⠀⠀⠀⠀⠀⠀⠀⠀⠀⠀⠀⠀⠀⠀
⠀⠀⠀⠀⠀⠀⠀⠀⠀⠀⠀⠀⠀⠀⠀⠀⠀⠀⠀⠀⡇⠀⠀⠀⠀⠀⠀⠀⠀⠀⠀⢠⢊⠞⠀⠀⢸⣿⡄⠀⠱⡀⠀⠀⠀⠀⠀⠀⠀⠀⠀⠀⠀⠀⠀⠀⠀⠀⠀⠀⠀
⠀⠀⠀⠀⠀⠀⠀⠀⠀⠀⠀⠀⠀⠀⠀⠀⠀⠀⠀⠀⡇⠀⠀⠀⠀⠀⠀⠀⠀⠀⡴⣡⠋⠀⠀⠀⢸⣿⢱⡀⠀⠱⡀⠀⠀⠀⠀⠀⠀⠀⠀⠀⠀⠀⠀⠀⠀⠀⠀⠀⠀
⠀⠀⠀⠀⠀⠀⠀⠀⠀⠀⠀⠀⠀⠀⠀⠀⠀⠀⠀⠀⡇⠀⠀⠀⠀⠀⠀⠀⢀⠞⡴⠁⠀⠀⠀⠀⣼⣿⠘⣧⠀⠀⢱⠀⠀⠀⠀⠀⠀⠀⠀⠀⠀⠀⠀⠀⠀⠀⠀⠀⠀
⠀⠀⠀⠀⠀⠀⠀⠀⠀⠀⠀⠀⠀⠀⠀⠀⠀⠀⠀⠀⡇⠀⠀⠀⠀⠀⠀⣠⢋⡜⠀⠀⠀⠀⠀⠀⢻⣿⠀⠸⡆⠀⠀⢣⠀⠀⠀⠀⠀⠀⠀⠀⠀⠀⠀⠀⠀⠀⠀⠀⠀
⠀⠀⠀⠀⠀⠀⠀⠀⠀⠀⠀⠀⠀⠀⠀⠀⠀⠀⠀⠀⡇⠀⠀⠀⠀⢀⡔⢡⠎⠀⠀⠀⠀⠀⠀⠀⣼⡏⠀⠀⢿⡄⠀⠈⢧⠀⠀⠀⠀⠀⠀⠀⠀⠀⠀⠀⠀⠀⠀⠀⠀
⠀⠀⠀⠀⠀⠀⠀⠀⠀⠀⠀⠀⠀⠀⠀⠀⠀⠀⠀⠀⡇⠀⠀⠀⢠⠎⡰⠃⠀⠀⠀⠀⠀⠀⠀⠀⣿⡇⠀⠀⠸⣳⠀⠀⠘⡷⡀⠀⠀⠀⠀⠀⠀⠀⠀⠀⠀⠀⠀⠀⠀
⠀⠀⠀⠀⠀⠀⠀⠀⠀⠀⠀⠀⠀⠀⠀⠀⠀⠀⠀⠀⣇⠀⠀⡰⠁⡜⠁⠀⠀⠀⠀⠀⠀⠀⠀⠀⣿⡇⠀⠀⠀⢏⢇⠀⠀⠘⡵⡀⠀⠀⠀⠀⠀⠀⠀⠀⠀⠀⠀⠀⠀
⠀⠀⠀⠀⠀⠀⠀⠀⠀⠀⠀⠀⠀⠀⠀⠀⠀⠀⠀⠈⣟⣠⣾⣤⣮⣤⣤⣤⣤⣤⣤⣄⣀⣀⠀⢰⣿⡇⠀⠀⠀⠸⡼⡄⠀⠀⠘⡝⡄⠀⠀⠀⠀⠀⠀⠀⠀⠀⠀⠀⠀
⠀⠀⠀⠀⠀⠀⠀⠀⠀⠀⠀⠀⠀⠀⠀⠀⠀⠀⠀⠈⣿⠛⠻⣿⣿⡏⠀⠀⡇⠀⠈⢉⣿⠛⡟⠻⣷⡇⠀⠀⠀⠀⢧⢹⡀⠀⠀⠘⡌⢦⠀⠀⠀⠀⠀⠀⠀⠀⠀⠀⠀
⠀⠀⠀⠀⠀⣀⡀⠀⠀⠀⠀⠀⠀⠀⠀⡤⠤⢴⣖⣒⣛⣒⣒⣛⣛⣓⡢⠤⠧⠤⠄⣸⣿⣀⣇⡄⣿⠇⠀⠀⠀⠀⠘⡄⢧⠀⠀⠀⠘⣆⠳⡄⠀⠀⠀⠀⠀⠀⠀⠀⠀
⠀⠀⠀⠀⠘⡿⡛⠛⠶⢦⣤⣀⠀⠀⠀⠙⠛⣿⣿⣿⣯⢹⣿⣿⠏⣿⣯⣿⡏⢉⣭⡝⣾⣻⡖⢻⣿⡆⠀⠀⠀⠀⠀⢣⠈⣆⠀⠀⠀⠈⢆⠈⠢⣄⠀⠀⠀⠀⠀⠀⠀
⠀⠀⠀⠀⢀⣳⢹⡲⡤⢄⣈⣹⡟⠲⠦⣤⣎⣸⣿⣽⣿⠀⣿⣿⣼⣿⣿⣿⡇⢸⣿⡇⣿⣿⡇⢸⣿⡇⠀⠀⠀⠀⠀⠘⡄⠸⡄⠀⠀⠀⠈⣧⣖⣿⡽⠀⠀⠀⠀⠀⠀
⠀⠀⠀⠀⡏⡏⡇⣧⠈⠉⠑⠛⠩⠶⣲⣧⣬⣽⡿⠿⢿⠷⠮⢯⣽⣈⣉⢹⡇⠸⠿⡇⢿⣿⡇⣿⡏⡇⠀⠀⠀⠀⠀⠀⢣⠀⢳⡀⠀⣀⣾⣋⣧⣾⠁⠀⠀⠀⠀⠀⠀
⠀⠀⠀⠀⠙⢿⣿⡼⡕⠒⠦⢤⣄⣀⠀⠀⠉⠉⣛⡛⠾⠷⣤⣤⣄⣿⣸⢸⡇⠀⠀⠀⠀⠀⠀⣿⡇⡇⠀⠀⢀⣀⣠⣤⠼⡶⢾⣿⣿⣿⣿⣟⡧⣪⡇⠀⠀⠀⠀⠀⠀
⠀⠀⠀⠀⠀⠀⠈⢷⢧⠀⠀⠀⣀⣈⠉⠛⠒⠲⠿⣿⣇⣀⠀⠀⠈⠉⠉⠛⣛⣛⠒⠶⠶⢶⣄⣿⣷⣷⣿⣿⣿⣿⣯⣧⣼⣤⣿⡶⠿⣛⣫⣵⢾⡏⠀⠀⠀⠀⠀⠀⠀
⠀⠀⠀⠀⠀⠀⠀⠘⡾⡆⠀⠀⠀⠀⠉⠁⠒⠂⠤⠄⣀⣈⠉⠉⠓⠒⠲⠦⠿⢿⣇⣀⣀⣀⣉⣛⣛⣿⣿⣛⣉⣉⣩⣭⣭⣴⠶⠾⠛⣋⣩⠴⣻⠁⠀⠀⠀⠀⠀⠀⠀
⠀⠀⠀⠀⠀⠀⠀⠀⢹⢳⠀⠀⠀⠀⠀⠀⠀⠀⠀⠀⠀⠀⠈⠉⠉⠒⠒⠲⠦⠤⠤⢤⣤⣄⣀⣀⣉⣉⣉⣉⣉⣥⣤⠤⠴⠶⠖⠛⠋⠉⠀⣠⠇⠀⠀⠀⠀⠀⠀⠀⠀
⠒⠒⠒⠶⠶⠶⠶⠶⠾⡟⡆⠈⠐⠒⠢⠤⠤⣀⣀⣀⠀⠀⠀⠀⠀⠀⠀⠀⠀⠀⠀⠀⠀⠀⠀⠀⠀⠀⠀⠀⠀⠀⠀⠀⠀⠀⠀⣀⣠⣴⣾⢿⠶⠶⠶⠶⠶⠶⠒⠒⠂
⠀⠀⠀⠀⠀⣀⣀⣀⣖⣻⢻⡀⠀⠀⠀⠀⠀⠀⠀⠀⠉⠉⠉⠛⠒⠒⠲⠶⠶⠶⠤⠤⣤⣤⣤⣤⣤⣤⣤⣤⣶⣶⣶⣶⣾⣿⣿⣿⣿⣿⣷⡒⠒⠒⠀⠀⠀⠀⠀⠀⠀
⠀⡀⠐⠒⠛⠋⠁⠀⠰⢲⣿⣿⣿⣿⣿⣿⣿⣿⣿⣿⣿⠿⣿⣛⠛⠛⣒⣒⣺⣿⡿⠿⠿⠿⠿⠿⠿⠭⠭⠭⠭⠭⠭⠉⠉⠉⠉⠩⠝⠻⠽⢻⡉⠉⣉⣉⠓⣂⣀⠀⠀
⠀⠉⠙⢽⣤⠤⠀⠀⣹⣿⣿⠿⠿⠿⠛⠉⠀⠀⠀⠉⠉⠉⠉⠭⠭⠭⠤⠉⠉⠉⠉⢉⣉⣉⣉⣉⣉⣉⠉⠉⠉⠉⠁⠀⠀⠠⠤⠒⠒⠚⠛⠛⠳⣄⠀⠉⠉⠁⠀⠀⠀
⠀⠀⠈⠉⠉⠁⠀⣀⣲⣿⡧⠭⠭⠭⠭⠭⠉⣀⣶⠒⠒⠖⠒⠒⠒⠒⠀⠀⠤⠤⠤⠤⠤⠶⠖⠒⠒⠒⠲⢶⣶⣤⣄⠶⠖⠀⢭⣿⡿⠭⠍⠉⣉⣻⠄⠀⠀⠀⠀⠀⠀
⠀⠀⠀⠀⠐⠠⢼⡧⢼⡥⠭⠭⠉⠉⠉⠉⠭⠭⠉⠉⠉⠉⣉⣉⣭⣭⠭⠭⣤⣄⣹⠭⠭⢭⣥⣤⣤⠤⠀⠒⠒⠒⠶⠶⠖⠋⠉⠙⠓⠒⠒⠒⠴⣶⣶⣶⠄⠀⠀⠀⠀
⠀⠀⠀⠠⠤⠤⠬⠍⠓⠻⢷⡒⣶⣒⣂⣀⣉⡛⠁⠰⠶⠶⠤⠤⠤⠐⠒⠈⠙⠒⠀⠀⠀⠀⠀⠀⠀⠀⢀⣀⣀⣈⣉⡉⠯⠭⠿⠭⠭⠍⢩⠥⠤⢼⣭⠓⠀⠀⠀⠀⠀
⠀⠀⠀⠀⠀⠲⠼⣛⣤⡤⠬⠤⠤⠤⠍⠉⠉⢠⣭⣭⣍⣁⣀⣠⣭⡿⠿⠿⢉⣭⡦⠶⠙⣛⠛⠋⠉⠉⠀⠉⠉⠀⠀⠀⠀⠀⠀⠀⠀⠈⠉⢉⣩⣥⣄⣀⠀⠀⠀⠀⠀
⠀⠀⠀⠀⠀⠀⠤⢶⣶⣤⠄⠀⠉⠉⠛⠛⠛⠒⣃⣨⠭⠭⠭⠭⠭⠍⠉⠉⣀⣈⣉⣉⣛⣓⣁⣀⣀⣀⠈⠛⠛⠛⠛⠀⠀⠀⠀⠈⠉⠉⠉⠉⠉⠉⠉⠁⠀⠀⠀⠀⠀
⠀⠀⠀⠀⠀⠀⠀⠀⠀⠤⠤⠤⠤⠤⠤⠷⠒⠒⠒⠂⠀⠀⠀⠀⠀⠀⠀⠀⠀⠀⠀⠀⠀⠐⠀⠰⠦⠄⠀⠀⠀⠀⠀⠀⠀⠀⠀⠀⠀⠀⠀⠀⠀⠀⠀⠀⠀⠀⠀⠀⠀
⠀⠀⠀⠀⠀⠀⠀⠀⠀⠀⠀⠀⠀⠀⠀⠀⠀⠀⠀⠀⠀⠀⠀⠀⠀⠀⠀⠀⠀⠀⠀⠀⠀⠀⠀⠀⠰⣍⡗⠀⠀⠀⠀⠀⠀⠀⠀⠀⠀⠀⠀⠀⠀⠀⠀⠀⠀⠀⠀⠀⠀
⠀⠀⠀⠀⠀⠀⠀⠀⠀⠀⠀⠀⠀⠀⠀⠀⠀⠀⠀⠀⠀⠀⠀⠀⠀⠀⠀⠀⠀⠀⠀⠀⠀⠀⠀⢀⢜⣿⡅⠀⠀⠀⠀⠀⠀⠀⠀⠀⠀⠀⠀⠀⠀⠀⠀⠀⠀⠀⠀⠀⠀
⠀⠀⠀⠀⠀⠀⠀⠀⠀⠀⠀⠀⠀⠀⠀⠀⠀⠀⠀⠀⠀⠀⠀⠀⠀⠀⠀⠀⠀⠀⠀⠀⠀⠀⡠⣫⢋⢻⠹⡄⠀⠀⠀⠀⠀⠀⠀⠀⠀⠀⠀⠀⠀⠀⠀⠀⠀⠀⠀⠀⠀
⠀⠀⠀⠀⠀⠀⠀⠀⠀⠀⠀⠀⠀⠀⠀⠀⠀⠀⠀⠀⠀⠀⠀⠀⠀⠀⠀⠀⠀⠀⠀⠀⢀⡔⡵⠁⢸⣿⠀⠱⡀⠀⠀⠀⠀⠀⠀⠀⠀⠀⠀⠀⠀⠀⠀⠀⠀⠀⠀⠀⠀
⠀⠀⠀⠀⠀⠀⠀⠀⠀⠀⠀⠀⠀⠀⠀⠀⠀⠀⠀⠀⡇⠀⠀⠀⠀⠀⠀⠀⠀⠀⠀⢠⢊⠞⠀⠀⢸⣿⡄⠀⠱⡀⠀⠀⠀⠀⠀⠀⠀⠀⠀⠀⠀⠀⠀⠀⠀⠀⠀⠀⠀
⠀⠀⠀⠀⠀⠀⠀⠀⠀⠀⠀⠀⠀⠀⠀⠀⠀⠀⠀⠀⡇⠀⠀⠀⠀⠀⠀⠀⠀⠀⡴⣡⠋⠀⠀⠀⢸⣿⢱⡀⠀⠱⡀⠀⠀⠀⠀⠀⠀⠀⠀⠀⠀⠀⠀⠀⠀⠀⠀⠀⠀
⠀⠀⠀⠀⠀⠀⠀⠀⠀⠀⠀⠀⠀⠀⠀⠀⠀⠀⠀⠀⡇⠀⠀⠀⠀⠀⠀⠀⢀⠞⡴⠁⠀⠀⠀⠀⣼⣿⠘⣧⠀⠀⢱⠀⠀⠀⠀⠀⠀⠀⠀⠀⠀⠀⠀⠀⠀⠀⠀⠀⠀
⠀⠀⠀⠀⠀⠀⠀⠀⠀⠀⠀⠀⠀⠀⠀⠀⠀⠀⠀⠀⡇⠀⠀⠀⠀⠀⠀⣠⢋⡜⠀⠀⠀⠀⠀⠀⢻⣿⠀⠸⡆⠀⠀⢣⠀⠀⠀⠀⠀⠀⠀⠀⠀⠀⠀⠀⠀⠀⠀⠀⠀
⠀⠀⠀⠀⠀⠀⠀⠀⠀⠀⠀⠀⠀⠀⠀⠀⠀⠀⠀⠀⡇⠀⠀⠀⠀⢀⡔⢡⠎⠀⠀⠀⠀⠀⠀⠀⣼⡏⠀⠀⢿⡄⠀⠈⢧⠀⠀⠀⠀⠀⠀⠀⠀⠀⠀⠀⠀⠀⠀⠀⠀
⠀⠀⠀⠀⠀⠀⠀⠀⠀⠀⠀⠀⠀⠀⠀⠀⠀⠀⠀⠀⡇⠀⠀⠀⢠⠎⡰⠃⠀⠀⠀⠀⠀⠀⠀⠀⣿⡇⠀⠀⠸⣳⠀⠀⠘⡷⡀⠀⠀⠀⠀⠀⠀⠀⠀⠀⠀⠀⠀⠀⠀
⠀⠀⠀⠀⠀⠀⠀⠀⠀⠀⠀⠀⠀⠀⠀⠀⠀⠀⠀⠀⣇⠀⠀⡰⠁⡜⠁⠀⠀⠀⠀⠀⠀⠀⠀⠀⣿⡇⠀⠀⠀⢏⢇⠀⠀⠘⡵⡀⠀⠀⠀⠀⠀⠀⠀⠀⠀⠀⠀⠀⠀
⠀⠀⠀⠀⠀⠀⠀⠀⠀⠀⠀⠀⠀⠀⠀⠀⠀⠀⠀⠈⣟⣠⣾⣤⣮⣤⣤⣤⣤⣤⣤⣄⣀⣀⠀⢰⣿⡇⠀⠀⠀⠸⡼⡄⠀⠀⠘⡝⡄⠀⠀⠀⠀⠀⠀⠀⠀⠀⠀⠀⠀
⠀⠀⠀⠀⠀⠀⠀⠀⠀⠀⠀⠀⠀⠀⠀⠀⠀⠀⠀⠈⣿⠛⠻⣿⣿⡏⠀⠀⡇⠀⠈⢉⣿⠛⡟⠻⣷⡇⠀⠀⠀⠀⢧⢹⡀⠀⠀⠘⡌⢦⠀⠀⠀⠀⠀⠀⠀⠀⠀⠀⠀
⠀⠀⠀⠀⠀⣀⡀⠀⠀⠀⠀⠀⠀⠀⠀⡤⠤⢴⣖⣒⣛⣒⣒⣛⣛⣓⡢⠤⠧⠤⠄⣸⣿⣀⣇⡄⣿⠇⠀⠀⠀⠀⠘⡄⢧⠀⠀⠀⠘⣆⠳⡄⠀⠀⠀⠀⠀⠀⠀⠀⠀
⠀⠀⠀⠀⠘⡿⡛⠛⠶⢦⣤⣀⠀⠀⠀⠙⠛⣿⣿⣿⣯⢹⣿⣿⠏⣿⣯⣿⡏⢉⣭⡝⣾⣻⡖⢻⣿⡆⠀⠀⠀⠀⠀⢣⠈⣆⠀⠀⠀⠈⢆⠈⠢⣄⠀⠀⠀⠀⠀⠀⠀
⠀⠀⠀⠀⢀⣳⢹⡲⡤⢄⣈⣹⡟⠲⠦⣤⣎⣸⣿⣽⣿⠀⣿⣿⣼⣿⣿⣿⡇⢸⣿⡇⣿⣿⡇⢸⣿⡇⠀⠀⠀⠀⠀⠘⡄⠸⡄⠀⠀⠀⠈⣧⣖⣿⡽⠀⠀⠀⠀⠀⠀
⠀⠀⠀⠀⡏⡏⡇⣧⠈⠉⠑⠛⠩⠶⣲⣧⣬⣽⡿⠿⢿⠷⠮⢯⣽⣈⣉⢹⡇⠸⠿⡇⢿⣿⡇⣿⡏⡇⠀⠀⠀⠀⠀⠀⢣⠀⢳⡀⠀⣀⣾⣋⣧⣾⠁⠀⠀⠀⠀⠀⠀
⠀⠀⠀⠀⠙⢿⣿⡼⡕⠒⠦⢤⣄⣀⠀⠀⠉⠉⣛⡛⠾⠷⣤⣤⣄⣿⣸⢸⡇⠀⠀⠀⠀⠀⠀⣿⡇⡇⠀⠀⢀⣀⣠⣤⠼⡶⢾⣿⣿⣿⣿⣟⡧⣪⡇⠀⠀⠀⠀⠀⠀
⠀⠀⠀⠀⠀⠀⠈⢷⢧⠀⠀⠀⣀⣈⠉⠛⠒⠲⠿⣿⣇⣀⠀⠀⠈⠉⠉⠛⣛⣛⠒⠶⠶⢶⣄⣿⣷⣷⣿⣿⣿⣿⣯⣧⣼⣤⣿⡶⠿⣛⣫⣵⢾⡏⠀⠀⠀⠀⠀⠀⠀
⠀⠀⠀⠀⠀⠀⠀⠘⡾⡆⠀⠀⠀⠀⠉⠁⠒⠂⠤⠄⣀⣈⠉⠉⠓⠒⠲⠦⠿⢿⣇⣀⣀⣀⣉⣛⣛⣿⣿⣛⣉⣉⣩⣭⣭⣴⠶⠾⠛⣋⣩⠴⣻⠁⠀⠀⠀⠀⠀⠀⠀
⠀⠀⠀⠀⠀⠀⠀⠀⢹⢳⠀⠀⠀⠀⠀⠀⠀⠀⠀⠀⠀⠀⠈⠉⠉⠒⠒⠲⠦⠤⠤⢤⣤⣄⣀⣀⣉⣉⣉⣉⣉⣥⣤⠤⠴⠶⠖⠛⠋⠉⠀⣠⠇⠀⠀⠀⠀⠀⠀⠀⠀
⠒⠒⠒⠶⠶⠶⠶⠶⠾⡟⡆⠈⠐⠒⠢⠤⠤⣀⣀⣀⠀⠀⠀⠀⠀⠀⠀⠀⠀⠀⠀⠀⠀⠀⠀⠀⠀⠀⠀⠀⠀⠀⠀⠀⠀⠀⠀⣀⣠⣴⣾⢿⠶⠶⠶⠶⠶⠶⠒⠒⠂
⠀⠀⠀⠀⠀⣀⣀⣀⣖⣻⢻⡀⠀⠀⠀⠀⠀⠀⠀⠀⠉⠉⠉⠛⠒⠒⠲⠶⠶⠶⠤⠤⣤⣤⣤⣤⣤⣤⣤⣤⣶⣶⣶⣶⣾⣿⣿⣿⣿⣿⣷⡒⠒⠒⠀⠀⠀⠀⠀⠀⠀
⠀⡀⠐⠒⠛⠋⠁⠀⠰⢲⣿⣿⣿⣿⣿⣿⣿⣿⣿⣿⣿⠿⣿⣛⠛⠛⣒⣒⣺⣿⡿⠿⠿⠿⠿⠿⠿⠭⠭⠭⠭⠭⠭⠉⠉⠉⠉⠩⠝⠻⠽⢻⡉⠉⣉⣉⠓⣂⣀⠀⠀
⠀⠉⠙⢽⣤⠤⠀⠀⣹⣿⣿⠿⠿⠿⠛⠉⠀⠀⠀⠉⠉⠉⠉⠭⠭⠭⠤⠉⠉⠉⠉⢉⣉⣉⣉⣉⣉⣉⠉⠉⠉⠉⠁⠀⠀⠠⠤⠒⠒⠚⠛⠛⠳⣄⠀⠉⠉⠁⠀⠀⠀
⠀⠀⠈⠉⠉⠁⠀⣀⣲⣿⡧⠭⠭⠭⠭⠭⠉⣀⣶⠒⠒⠖⠒⠒⠒⠒⠀⠀⠤⠤⠤⠤⠤⠶⠖⠒⠒⠒⠲⢶⣶⣤⣄⠶⠖⠀⢭⣿⡿⠭⠍⠉⣉⣻⠄⠀⠀⠀⠀⠀⠀
⠀⠀⠀⠀⠐⠠⢼⡧⢼⡥⠭⠭⠉⠉⠉⠉⠭⠭⠉⠉⠉⠉⣉⣉⣭⣭⠭⠭⣤⣄⣹⠭⠭⢭⣥⣤⣤⠤⠀⠒⠒⠒⠶⠶⠖⠋⠉⠙⠓⠒⠒⠒⠴⣶⣶⣶⠄⠀⠀⠀⠀
⠀⠀⠀⠠⠤⠤⠬⠍⠓⠻⢷⡒⣶⣒⣂⣀⣉⡛⠁⠰⠶⠶⠤⠤⠤⠐⠒⠈⠙⠒⠀⠀⠀⠀⠀⠀⠀⠀⢀⣀⣀⣈⣉⡉⠯⠭⠿⠭⠭⠍⢩⠥⠤⢼⣭⠓⠀⠀⠀⠀⠀
⠀⠀⠀⠀⠀⠲⠼⣛⣤⡤⠬⠤⠤⠤⠍⠉⠉⢠⣭⣭⣍⣁⣀⣠⣭⡿⠿⠿⢉⣭⡦⠶⠙⣛⠛⠋⠉⠉⠀⠉⠉⠀⠀⠀⠀⠀⠀⠀⠀⠈⠉⢉⣩⣥⣄⣀⠀⠀⠀⠀⠀
⠀⠀⠀⠀⠀⠀⠤⢶⣶⣤⠄⠀⠉⠉⠛⠛⠛⠒⣃⣨⠭⠭⠭⠭⠭⠍⠉⠉⣀⣈⣉⣉⣛⣓⣁⣀⣀⣀⠈⠛⠛⠛⠛⠀⠀⠀⠀⠈⠉⠉⠉⠉⠉⠉⠉⠁⠀⠀⠀⠀⠀
⠀⠀⠀⠀⠀⠀⠀⠀⠀⠤⠤⠤⠤⠤⠤⠷⠒⠒⠒⠂⠀⠀⠀⠀⠀⠀⠀⠀⠀⠀⠀⠀⠀⠐⠀⠰⠦⠄⠀⠀⠀⠀⠀⠀⠀⠀⠀⠀⠀⠀⠀⠀⠀⠀⠀⠀⠀⠀⠀⠀⠀
Dieter Kief
Thursday - January 29th 2026 8:38AM MST
PS
Hi Mod. - - yep - Heather Mac Donald is well worth a read (New York Magazine) or - a listen/look.
5k for my post - vid in the 100 000 's.
Ahh - Visual analogies - or: similiarities or: representations*** - - hehe. Thx. for lookin'!
***Now I think of a very good German teacher I once had - Hubert Wirth - - this could have been the theme of an essay he would make us write with 15 or so!
Hi Mod. - - yep - Heather Mac Donald is well worth a read (New York Magazine) or - a listen/look.
5k for my post - vid in the 100 000 's.
Ahh - Visual analogies - or: similiarities or: representations*** - - hehe. Thx. for lookin'!
***Now I think of a very good German teacher I once had - Hubert Wirth - - this could have been the theme of an essay he would make us write with 15 or so!
Moderator
Thursday - January 29th 2026 6:49AM MST
PS: SafeNow, I used to be very good at analogies, such as those that used to be on the SAT. (Did they change it up for the women test-takers or the Black! ones?). However, now it comes harder for me. It’s just like… well, that’s the problem haha.
Mr. Kief, I liked the 3 minute Heather McDonald clip. The other woman, Lydia, didn’t’ seem too pleased with hearing it. Anyway, I could view that “X”, but, I’m not good with their formatting - is that 5,000-odd views of your post or of the video clip itself.
Anyway, thanks for these. I couldn’t see the letters is the grass or twigs though - I did see the Mother Mary… just kidding!
Mr. Kief, I liked the 3 minute Heather McDonald clip. The other woman, Lydia, didn’t’ seem too pleased with hearing it. Anyway, I could view that “X”, but, I’m not good with their formatting - is that 5,000-odd views of your post or of the video clip itself.
Anyway, thanks for these. I couldn’t see the letters is the grass or twigs though - I did see the Mother Mary… just kidding!
Moderator
Thursday - January 29th 2026 6:45AM MST
PS: That’s a big culturally if not more likely genetically created divide in mindset, Mr. Hail.
Yeah, we got a lot more money out of the government and “free” food for our family, and I helped out our cousins by getting them into this learing center business too, so they owe us. I feel so good about myself. We are a very good family, good representatives of the Somalian Community in the Twin Cities.
vs:
I have to tell someone about how this money is being diverted from the welfare for our little ones to all those cheating Somalians, nice as they are, of course. That’s not good for the whole community. It’s not fair! I will have to do the right thing, even if I get fired, and WE have to go on welfare…
How do you reconcile these 2 completely different mindsets of what’s right or good?
There are so many reasons to hate Ilhan Omar in particular, but then Ron Unz says everyone hates her because she’s anti-Israel. WTH?? The guy’s mind is on some whole other plane.
Yeah, we got a lot more money out of the government and “free” food for our family, and I helped out our cousins by getting them into this learing center business too, so they owe us. I feel so good about myself. We are a very good family, good representatives of the Somalian Community in the Twin Cities.
vs:
I have to tell someone about how this money is being diverted from the welfare for our little ones to all those cheating Somalians, nice as they are, of course. That’s not good for the whole community. It’s not fair! I will have to do the right thing, even if I get fired, and WE have to go on welfare…
How do you reconcile these 2 completely different mindsets of what’s right or good?
There are so many reasons to hate Ilhan Omar in particular, but then Ron Unz says everyone hates her because she’s anti-Israel. WTH?? The guy’s mind is on some whole other plane.
Dieter Kief
Thursday - January 29th 2026 4:38AM MST
PS
Heather Mac Donald -
Woke women Destroy Reason:
https://x.com/DieterKief/status/2014098414619722022?s=20
Heather Mac Donald -
Woke women Destroy Reason:
https://x.com/DieterKief/status/2014098414619722022?s=20
SafeNow
Wednesday - January 28th 2026 11:42PM MST
PS
I agree with the essay’s insightful extrapolation: Not grasping how mechanical things work can be expanded to the societal level.
I once read that women are better than men at all aspects of verbal ability….except for…. analogies. This makes such perfect sense to me, because the interaction of parts in an analogy resembles the interaction of parts in an engineered machine. (hey, I think I just came up with an analogy there.) It has always been a frustration to me when Mrs. SafeNow fails to be at all impressed by some analogy I have come up with. Or sometimes even grasp it. And it is rare that she comes up with one. She is otherwise quite smart verbally.
I agree with the essay’s insightful extrapolation: Not grasping how mechanical things work can be expanded to the societal level.
I once read that women are better than men at all aspects of verbal ability….except for…. analogies. This makes such perfect sense to me, because the interaction of parts in an analogy resembles the interaction of parts in an engineered machine. (hey, I think I just came up with an analogy there.) It has always been a frustration to me when Mrs. SafeNow fails to be at all impressed by some analogy I have come up with. Or sometimes even grasp it. And it is rare that she comes up with one. She is otherwise quite smart verbally.
Hail
Wednesday - January 28th 2026 9:59PM MST
PS
What you write about non-Westerners being unable to maintain Western standards is correct.
Naturally it is not limited to narrow technical areas, such as your example here of precision instruments used to make feminine products. It's really EVERY-thing, the seen and unseen, in the social fabric.
The best that others can do is imitate, make money off of, or maintain Western standards of civilization.
Someone like Ilhan Omar: Of course she and people like her cannot have built the society that she claims, self-righteously, to speak for. ("Why is she in America?" is question one; "Why does she think she has the right to scold and lecture White Americans as if she owns the place"? is question two).
Ilhan Omar may truly be self-deluded, thinking that her showing up at age 12 from one of the least-functioning places on the planet, her walking into a fully functioning, wealthy society (whose Big Blue areas were quite inclined coddled people like her, treat them like pets, and give them all manner of benefits for nothing) is the same as her and her people having built it. (I see the same kind of narcissistic delusion in Vivek Ramaswamy, and so many others.)
The truth is that people like this degrade societies, undermine them, weaken them through inherent corruption of all sorts too many to enumerate, and look only to their own gain at the expense of the commons, in a way that White-European people would be shocked at.
(Are any Somalis particularly surprised or outraged at the billions in Somali fraud in the state of Minnesota? What our people have to learn is, most groups in the world don't quite see such things as wrong, if it benefits their own people and if they can get away with it. This is really hard for a White person to grasp until he sees it more directly.)
But is your point here more about women "per se"? Hence the theme of tampons.
If there were an all-White America without any Ilhan Omars of any stripe at all, but (White) women began taking over control of politics and economy even more than the way we have seen it over the past half century, Would things still break down?
The answer is probably yes. But not as bad as a high-trust White society bringing in low-trust, low-human-capital, dysfunctional migrants. Or even the better element, who don't necessarily cause problems, who do work, but who are still producers of mediocre intellectual cultural output and undermine the commons to an extent. To use a common US semi-euphemism, they create bad schools.
What you write about non-Westerners being unable to maintain Western standards is correct.
Naturally it is not limited to narrow technical areas, such as your example here of precision instruments used to make feminine products. It's really EVERY-thing, the seen and unseen, in the social fabric.
The best that others can do is imitate, make money off of, or maintain Western standards of civilization.
Someone like Ilhan Omar: Of course she and people like her cannot have built the society that she claims, self-righteously, to speak for. ("Why is she in America?" is question one; "Why does she think she has the right to scold and lecture White Americans as if she owns the place"? is question two).
Ilhan Omar may truly be self-deluded, thinking that her showing up at age 12 from one of the least-functioning places on the planet, her walking into a fully functioning, wealthy society (whose Big Blue areas were quite inclined coddled people like her, treat them like pets, and give them all manner of benefits for nothing) is the same as her and her people having built it. (I see the same kind of narcissistic delusion in Vivek Ramaswamy, and so many others.)
The truth is that people like this degrade societies, undermine them, weaken them through inherent corruption of all sorts too many to enumerate, and look only to their own gain at the expense of the commons, in a way that White-European people would be shocked at.
(Are any Somalis particularly surprised or outraged at the billions in Somali fraud in the state of Minnesota? What our people have to learn is, most groups in the world don't quite see such things as wrong, if it benefits their own people and if they can get away with it. This is really hard for a White person to grasp until he sees it more directly.)
But is your point here more about women "per se"? Hence the theme of tampons.
If there were an all-White America without any Ilhan Omars of any stripe at all, but (White) women began taking over control of politics and economy even more than the way we have seen it over the past half century, Would things still break down?
The answer is probably yes. But not as bad as a high-trust White society bringing in low-trust, low-human-capital, dysfunctional migrants. Or even the better element, who don't necessarily cause problems, who do work, but who are still producers of mediocre intellectual cultural output and undermine the commons to an extent. To use a common US semi-euphemism, they create bad schools.
You're welcome. I'm always happy to help. (and...) Thank you for your kind words. I hope you and Mrs. SafeNow have a wonderful weekend.
Cheers! ☮️